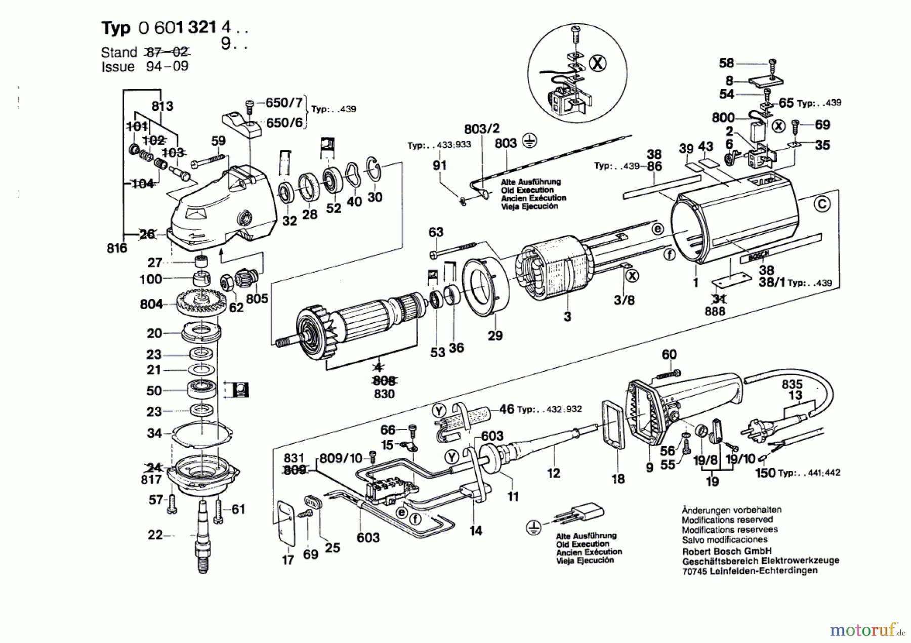
Bosch Winkelschleifer ---- Ersatzteile
---- Winkelschleifer
Artikel Nummer: 0 601 321 403 (0601321403)

Hier finden Sie die Ersatzteilzeichnung für Bosch Werkzeug Winkelschleifer ---- Seite 1. Wählen Sie das benötigte Ersatzteil aus der Ersatzteilliste Ihres Bosch Gerätes aus und bestellen Sie einfach online. Viele Bosch Ersatzteile halten wir ständig in unserem Lager für Sie bereit.


Qualitätsmanagement
Informieren Sie uns, wenn Sie einen Fehler gefunden haben.

