Bosch Elektrobürste OSB 1020 CE Ersatzteile
OSB 1020 CE Elektrobürste
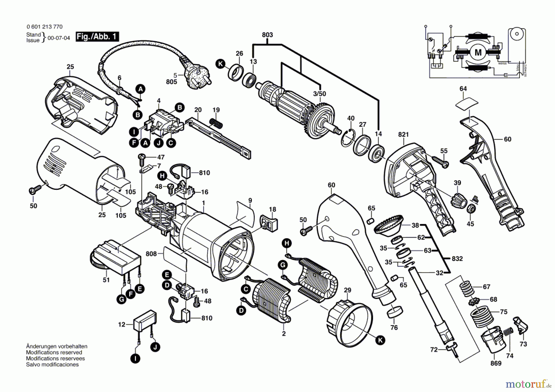
Artikel Nummer: 0 601 213 770 (0601213770)

Hier finden Sie die Ersatzteilzeichnung für Bosch Werkzeug Elektrobürste OSB 1020 CE Seite 1. Wählen Sie das benötigte Ersatzteil aus der Ersatzteilliste Ihres Bosch Gerätes aus und bestellen Sie einfach online. Viele Bosch Ersatzteile halten wir ständig in unserem Lager für Sie bereit.


Qualitätsmanagement
Informieren Sie uns, wenn Sie einen Fehler gefunden haben.



