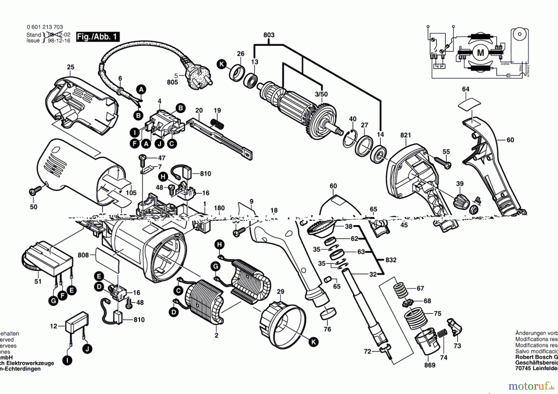
Bosch Elektrobürste GEB 1000 CE Ersatzteile
GEB 1000 CE Elektrobürste
Artikel Nummer: 0 601 213 703 (0601213703)

Hier finden Sie die Ersatzteilzeichnung für Bosch Werkzeug Elektrobürste GEB 1000 CE Seite 1. Wählen Sie das benötigte Ersatzteil aus der Ersatzteilliste Ihres Bosch Gerätes aus und bestellen Sie einfach online. Viele Bosch Ersatzteile halten wir ständig in unserem Lager für Sie bereit.




