Einkaufswagen
Mein Konto

Bosch Geradschleifer GS 600-E Ersatzteile

GS 600-E Geradschleifer

Artikel Nummer: 0 601 210 770 (0601210770)
 Bosch Werkzeug Geradschleifer GS 600-E Seite 1

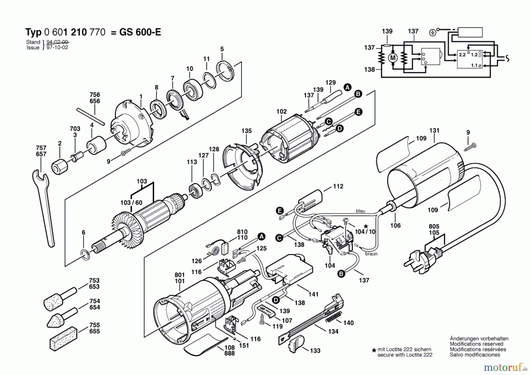
Hier finden Sie die Ersatzteilzeichnung für Bosch Werkzeug Geradschleifer GS 600-E Seite 1. Wählen Sie das benötigte Ersatzteil aus der Ersatzteilliste Ihres Bosch Gerätes aus und bestellen Sie einfach online. Viele Bosch Ersatzteile halten wir ständig in unserem Lager für Sie bereit.

BildNrArtikel NummerBezeichnung
1 2 605 806 416Spindelgehaeuse
2 2 603 312 006Überwurfmutter
4 2 600 300 073Dichtbuchse
5 2 916 660 013Sicherungsbügel
6 2 916 650 006Sicherungsbügel
7 2 600 500 033Tellerscheibe
8 2 600 108 033Filzring
9 2 603 490 023Sternantrieb-Linsenschraube
10 2 600 905 017Rillenkugellager
11 1 600 102 626Ausgleichscheibe
102 2 604 220 491Polschuh
103 2 604 010 769Anker
104 1 607 200 086Ein/Aus-Schalter
105 1 604 460 135Netzanschlussleitung
106 Bosch Tülle2 600 703 012Tülle
106 2 600 703 013Tülle
107 1 601 302 017Befestigungsschelle
109 2 601 118 747Firmenschild
112 2 607 329 124Entstörfilter
113 2 600 905 088Rillenkugellager
116 1 600 A00 3G4Bürstenhalter
116 2 601 323 022Bürstenhalter
119 2 603 490 022Schraube
125 2 603 490 017Sternantrieb-Linsenschraube
126 2 604 652 009Spiralfeder
127 2 600 150 033Ausgleichscheibe
128 2 600 101 027Distanzscheibe
128 2 600 101 665Distanzscheibe
128 2 600 101 667Distanzscheibe
129 1 610 712 034Schrumpfschlauch
131 2 600 508 044Gehäusedeckel
133 1 602 026 057Schaltergriff
134 1 602 319 002Verstellschieber
135 2 601 328 045Abdeckscheibe
137 2 604 448 016Verbindungsleitung
138 2 604 448 149Elektr Leitung
139 2 604 465 096Entstörfilter
140 1 604 611 026Druckfeder
141 2 607 230 013Drehzahlregler
151 2 603 230 002Kugel
703 2 608 570 047Spannzange
703 2 608 570 048Spannzange
703 2 608 570 049Spannzange
753 2 608 620 012Schleifstift
753 2 608 620 013Schleifstift
754 2 608 620 014Schleifstift
754 2 608 620 015Schleifstift
756 2 603 101 035Zylinderstift
757 1 607 950 525Einmaulschlüssel
801 2 605 108 910Motorgehäuse
805 1 607 000 385Netzanschlussleitung
810 2 604 320 910Kohlebürstensatz
888 1 601 11A 3HCTypschild
Rasen
Bankeinzug, MasterCard, Visa, American Express, PayPal, Nachnahme, Vorauskasse, Sofortüberweisung
Qualitätsmanagement
Informieren Sie uns, wenn Sie einen Fehler gefunden haben.