Bosch Schlagbohrmaschine GSB 2200 Ersatzteile
GSB 2200 Schlagbohrmaschine
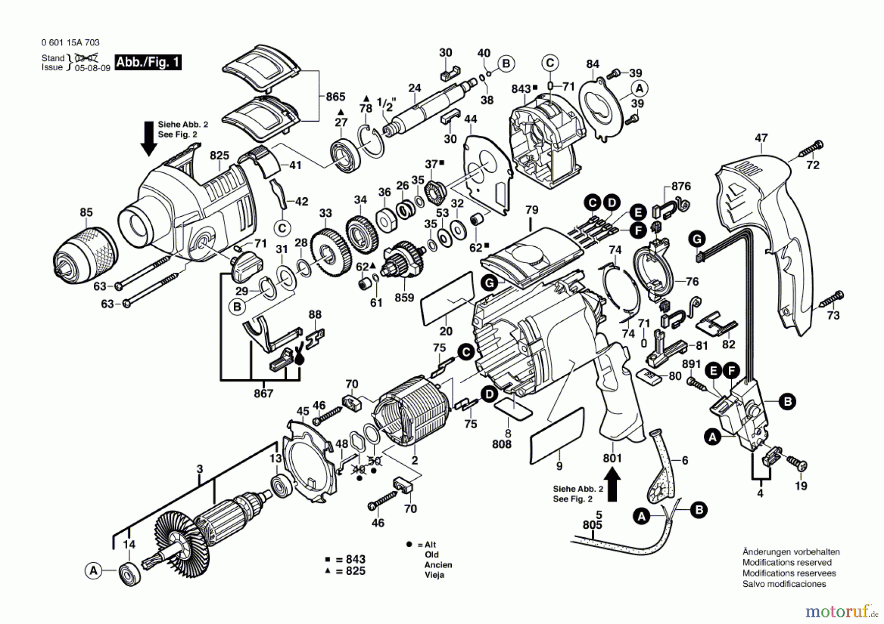
Artikel Nummer: 0 601 15A 703 (060115A703) 

Hier finden Sie die Ersatzteilzeichnung für Bosch Werkzeug Schlagbohrmaschine GSB 2200 Seite 1. Wählen Sie das benötigte Ersatzteil aus der Ersatzteilliste Ihres Bosch Gerätes aus und bestellen Sie einfach online. Viele Bosch Ersatzteile halten wir ständig in unserem Lager für Sie bereit.


Qualitätsmanagement
 Informieren Sie uns, wenn Sie einen Fehler gefunden haben.

