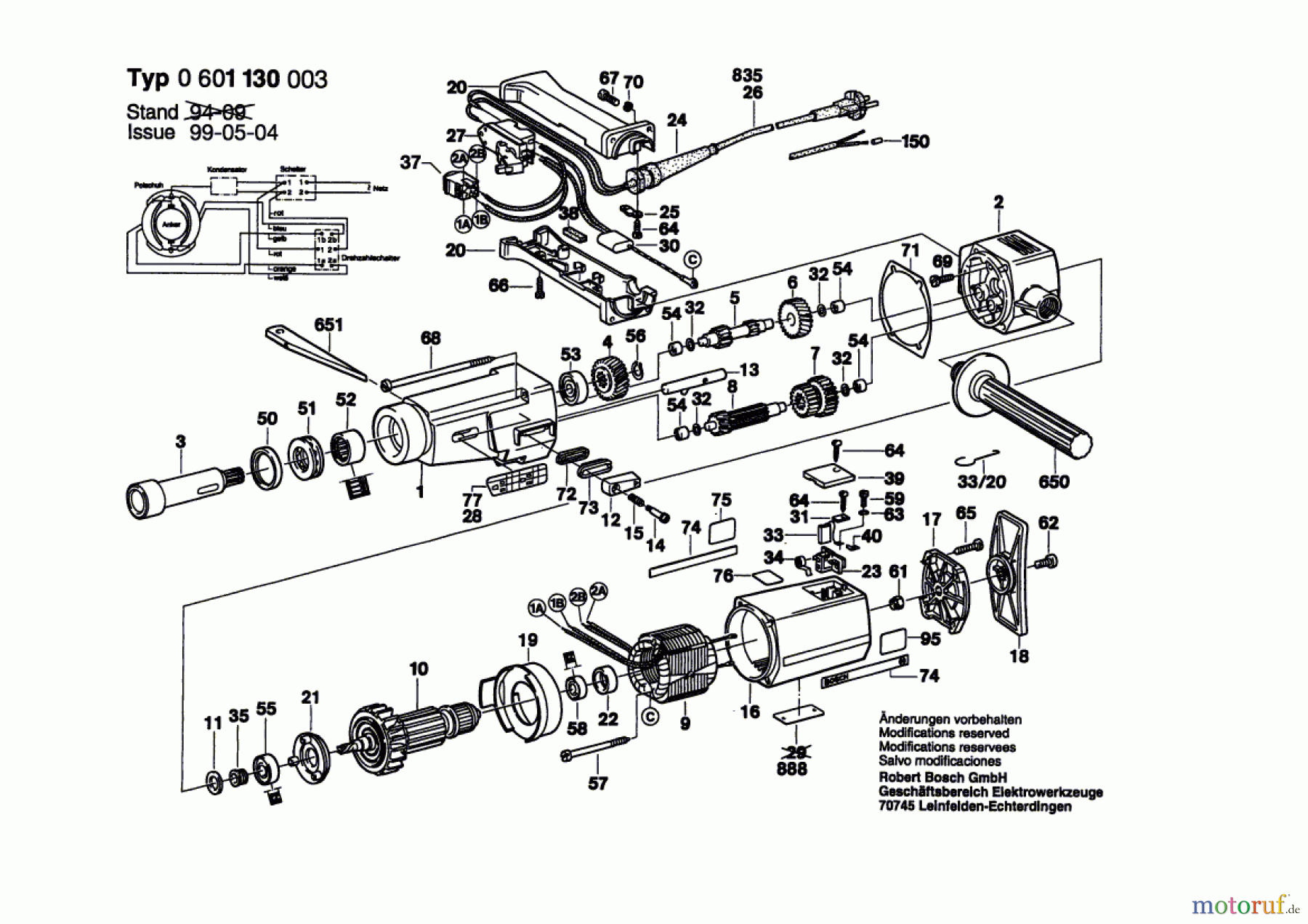
Bosch Bohrmaschine ---- Ersatzteile
---- Bohrmaschine
Artikel Nummer: 0 601 130 003 (0601130003)

Hier finden Sie die Ersatzteilzeichnung für Bosch Werkzeug Bohrmaschine ---- Seite 1. Wählen Sie das benötigte Ersatzteil aus der Ersatzteilliste Ihres Bosch Gerätes aus und bestellen Sie einfach online. Viele Bosch Ersatzteile halten wir ständig in unserem Lager für Sie bereit.



