Bosch Hochdruckreiniger AQUATAK 100 Ersatzteile
AQUATAK 100 Hochdruckreiniger
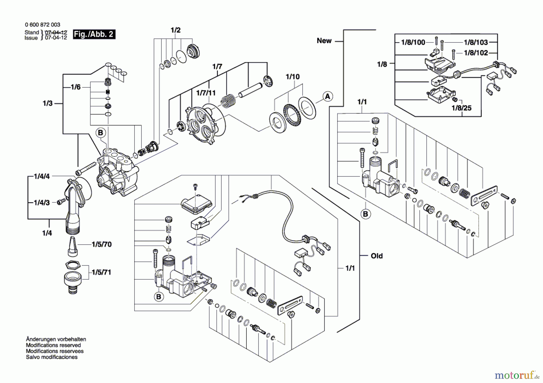
Artikel Nummer: 0 600 872 003 (0600872003)

Hier finden Sie die Ersatzteilzeichnung für Bosch Wassertechnik Hochdruckreiniger AQUATAK 100 Seite 2. Wählen Sie das benötigte Ersatzteil aus der Ersatzteilliste Ihres Bosch Gerätes aus und bestellen Sie einfach online. Viele Bosch Ersatzteile halten wir ständig in unserem Lager für Sie bereit.
| BildNr | Artikel Nummer | Bezeichnung | |
| 1/5/71 | F 016 102 409 | Anschlussverschraubung | |
| 1/4/3 | F 016 F02 894 | Schraube | |
| 1/9/77 | F 016 F02 896 | Schraube | |
| 1/7/11 | F 016 F02 899 | O-Ring | |
| 1/4/4 | F 016 F02 901 | O-Ring | |
| 1/5/70 | F 016 F02 905 | Sieb | |
| 1/3 | F 016 F02 910 | Zylinderkopf | |
| 1/4 | F 016 F02 911 | Verbindungsstück | |
| 1/6 | F 016 F02 913 | Ventil | |
| 1/7 | F 016 F02 914 | Gehäuse | |
| 1/8 | F 016 F02 915 | Schalter | |
| 1/10 | F 016 F02 917 | Kugellager | |
| 1/2 | F 016 F03 324 | Dichtung | |
| 1/8/100 | F 016 F03 334 | Schraube | |
| 1/8/102 | F 016 F03 335 | Schraube | |
| 1/8/103 | F 016 F03 336 | Schraube | |
| 1/8/25 | F 016 F03 337 | Gehäuse | |
| 1/1 | F 016 F03 624 | Steuerkopf | |



