Einkaufswagen
Mein Konto

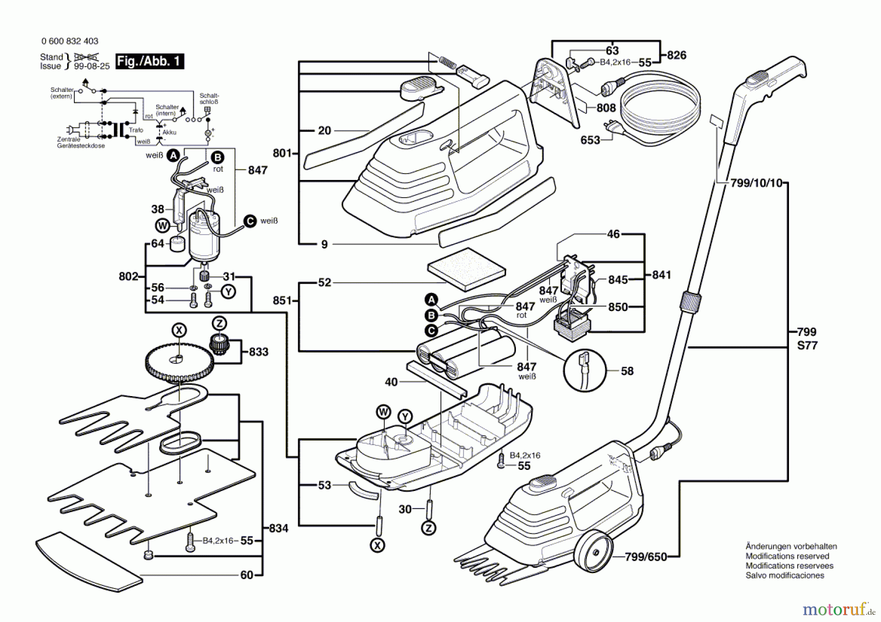
Bosch Akku-Grasschere AGS 70 Ersatzteile

AGS 70 Akku-Grasschere

Artikel Nummer: 0 600 832 403 (0600832403)
 Bosch Gartengeräte Akku-Grasschere AGS 70 Seite 1

Hier finden Sie die Ersatzteilzeichnung für Bosch Gartengeräte Akku-Grasschere AGS 70 Seite 1. Wählen Sie das benötigte Ersatzteil aus der Ersatzteilliste Ihres Bosch Gerätes aus und bestellen Sie einfach online. Viele Bosch Ersatzteile halten wir ständig in unserem Lager für Sie bereit.

Rasen
Bankeinzug, MasterCard, Visa, American Express, PayPal, Nachnahme, Vorauskasse, Sofortüberweisung
Qualitätsmanagement
Informieren Sie uns, wenn Sie einen Fehler gefunden haben.