Bosch Rasentrimmer ART 25 Ersatzteile
ART 25 Rasentrimmer
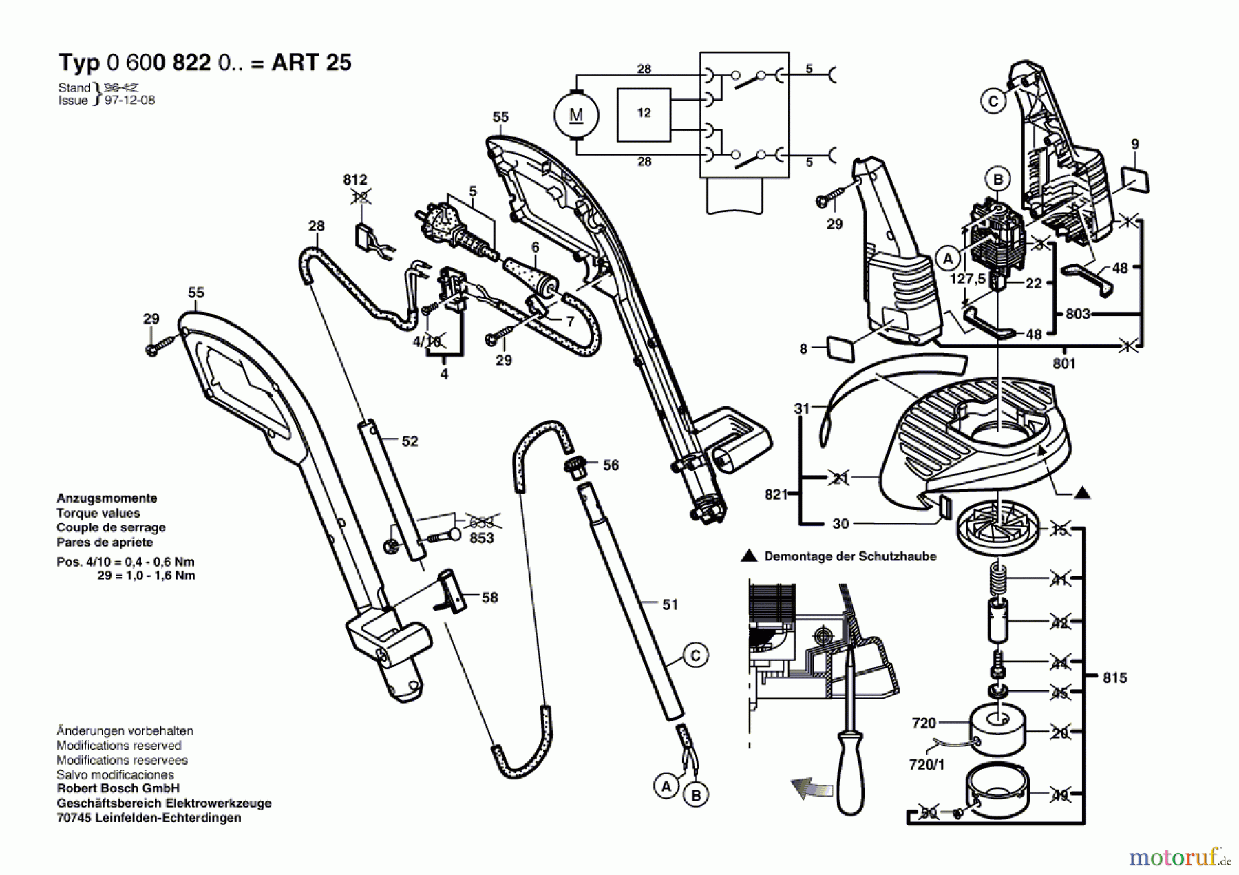
Artikel Nummer: 0 600 822 003 (0600822003)

Hier finden Sie die Ersatzteilzeichnung für Bosch Gartengeräte Rasentrimmer ART 25 Seite 1. Wählen Sie das benötigte Ersatzteil aus der Ersatzteilliste Ihres Bosch Gerätes aus und bestellen Sie einfach online. Viele Bosch Ersatzteile halten wir ständig in unserem Lager für Sie bereit.


Qualitätsmanagement
Informieren Sie uns, wenn Sie einen Fehler gefunden haben.

