Bosch Hochdruckreiniger AHR 1500 AS Ersatzteile
AHR 1500 AS Hochdruckreiniger
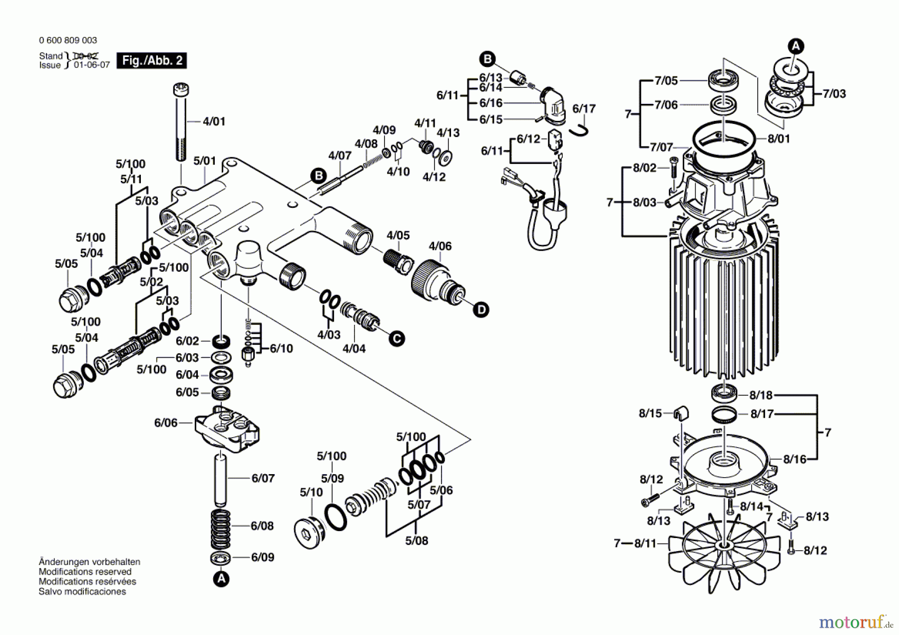
Artikel Nummer: 0 600 809 003 (0600809003)

Hier finden Sie die Ersatzteilzeichnung für Bosch Wassertechnik Hochdruckreiniger AHR 1500 AS Seite 2. Wählen Sie das benötigte Ersatzteil aus der Ersatzteilliste Ihres Bosch Gerätes aus und bestellen Sie einfach online. Viele Bosch Ersatzteile halten wir ständig in unserem Lager für Sie bereit.


Qualitätsmanagement
Informieren Sie uns, wenn Sie einen Fehler gefunden haben.

