Gutbrod Sprint 800 E 02840.05 (1988) Fahrantrieb, Lenkrad, Lenkung, Räder Ersatzteile
Fahrantrieb, Lenkrad, Lenkung, Räder 02840.05 (1988)

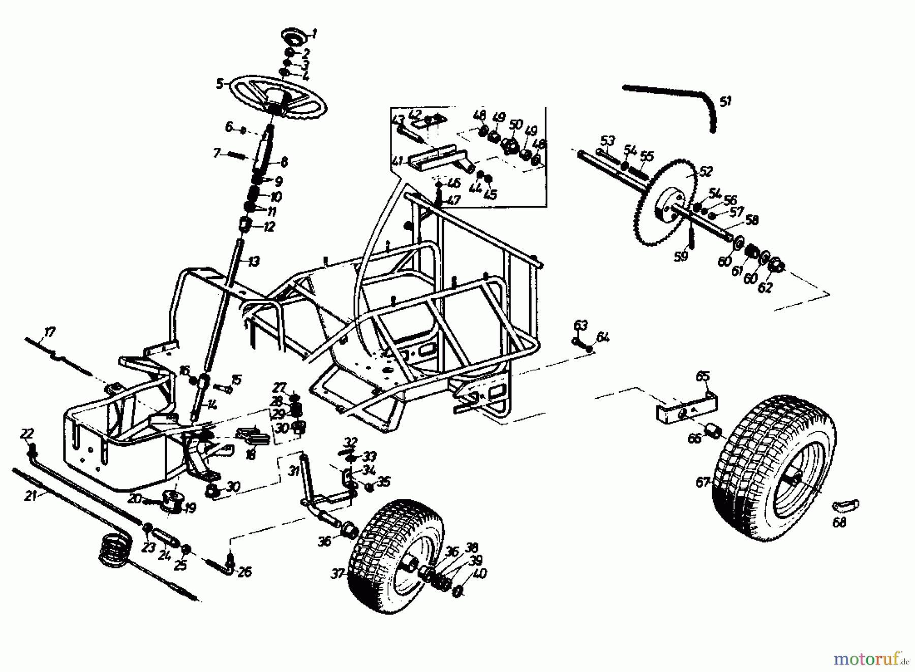
Hier finden Sie die Ersatzteilzeichnung für Gutbrod Rasentraktoren Sprint 800 E 02840.05 (1988) Fahrantrieb, Lenkrad, Lenkung, Räder. Wählen Sie das benötigte Ersatzteil aus der Ersatzteilliste Ihres Gutbrod Gerätes aus und bestellen Sie einfach online. Viele Gutbrod Ersatzteile halten wir ständig in unserem Lager für Sie bereit.


Qualitätsmanagement
Informieren Sie uns, wenn Sie einen Fehler gefunden haben.


