Güde Benzin-Fräsen Gartenfräse GF 384 Art.-Nr.: 94392 Ersatzteileversion FSL94392-04 Ersatzteile
Ersatzteileversion FSL94392-04 Gartenfräse GF 384 Art.-Nr.: 94392
Gültig für folgende Seriennummern (ersten 5 Ziffern der Geräteseriennummer)
75351 75352 75353 75529 75676 76342 76807

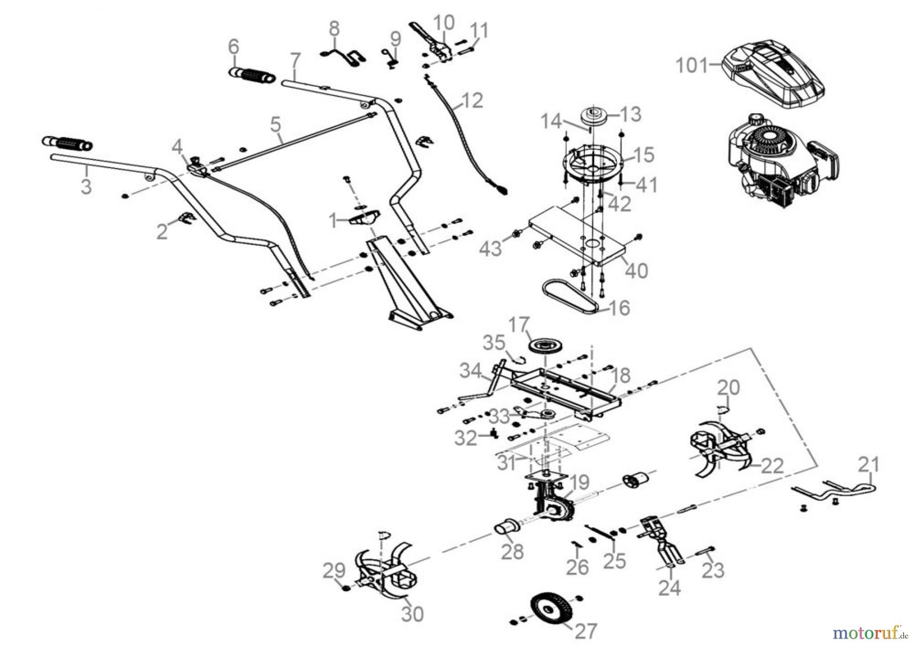
Hier finden Sie die Ersatzteilzeichnung für Güde Gartentechnik Gartenfräsen Benzin-Fräsen Gartenfräse GF 384 Art.-Nr.: 94392 Ersatzteileversion FSL94392-04 Seite 1. Wählen Sie das benötigte Ersatzteil aus der Ersatzteilliste Ihres Güde Gerätes aus und bestellen Sie einfach online. Viele Güde Ersatzteile halten wir ständig in unserem Lager für Sie bereit.


Qualitätsmanagement
Informieren Sie uns, wenn Sie einen Fehler gefunden haben.

