Güde Benzin-Fräsen GARTENFRÄSE GF 381 Art.-Nr.: 94366 Ersatzteileversion FSL94366-02 Ersatzteile
Ersatzteileversion FSL94366-02 GARTENFRÄSE GF 381 Art.-Nr.: 94366
Gültig für folgende Seriennummern (ersten 5 Ziffern der Geräteseriennummer)
59460 59461 59462 59463

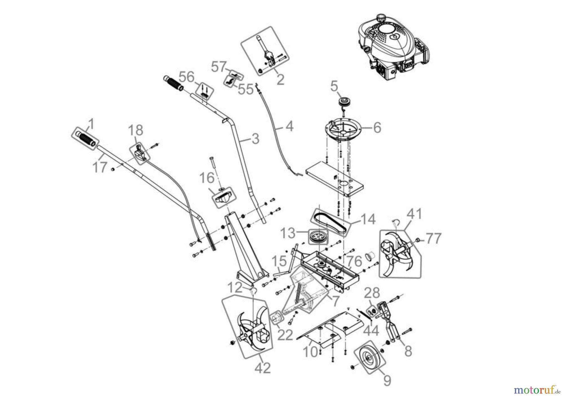
Hier finden Sie die Ersatzteilzeichnung für Güde Gartentechnik Gartenfräsen Benzin-Fräsen GARTENFRÄSE GF 381 Art.-Nr.: 94366 Ersatzteileversion FSL94366-02 Seite 1. Wählen Sie das benötigte Ersatzteil aus der Ersatzteilliste Ihres Güde Gerätes aus und bestellen Sie einfach online. Viele Güde Ersatzteile halten wir ständig in unserem Lager für Sie bereit.



