Hanseatic Rasentraktor T 954 HD-A Ersatzteile
T 954 HD-A Rasentraktor
Artikel Nummer: 119603 119603

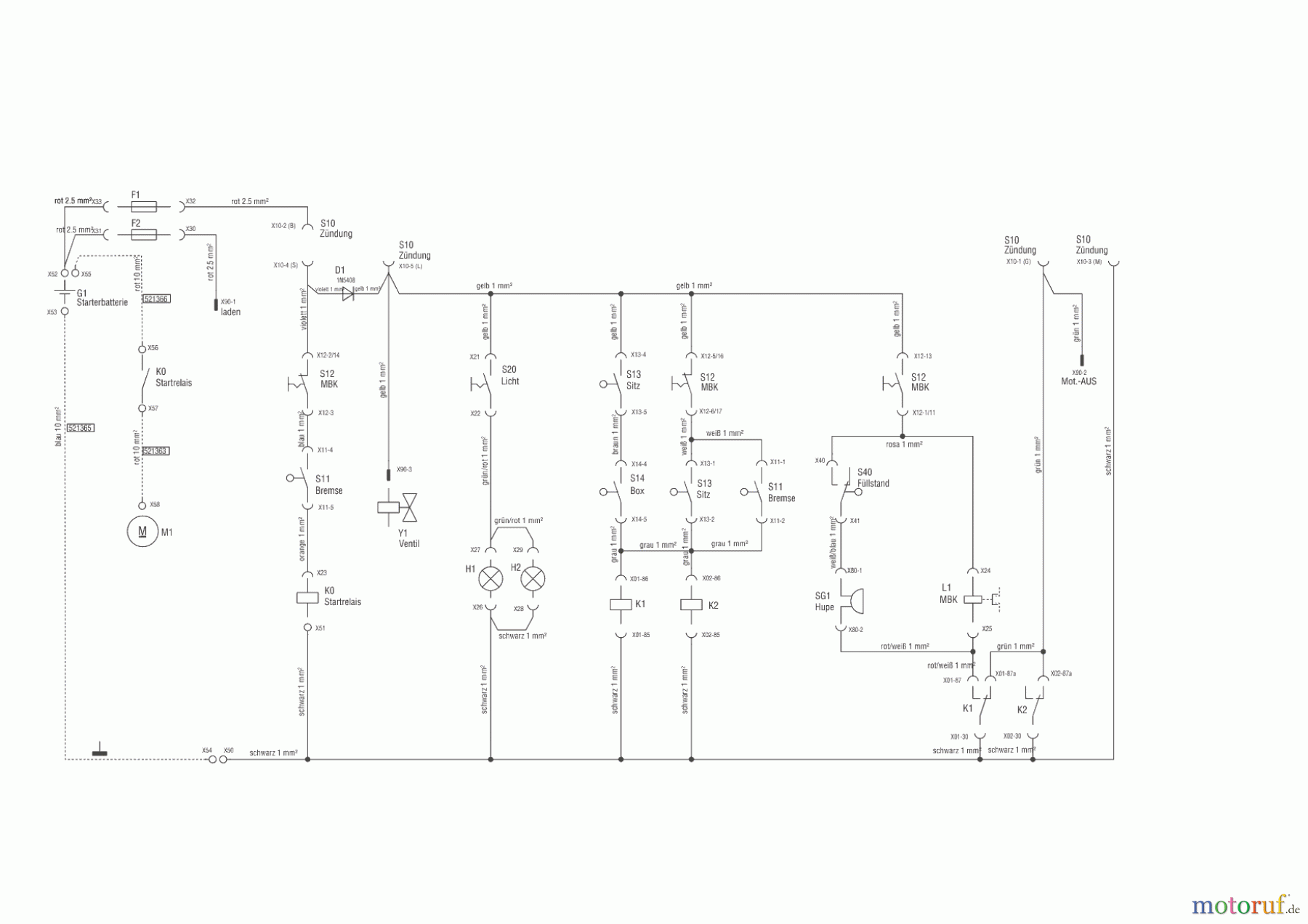
Hier finden Sie die Ersatzteilzeichnung für Hanseatic Gartentechnik Rasentraktor T 954 HD-A 02/2014 Seite 9. Wählen Sie das benötigte Ersatzteil aus der Ersatzteilliste Ihres Hanseatic Gerätes aus und bestellen Sie einfach online. Viele Hanseatic Ersatzteile halten wir ständig in unserem Lager für Sie bereit.
| BildNr | Artikel Nummer | Bezeichnung | |
| AL521363 | KABEL ROT STARTER/RELAIS | ||
| AL521365 | KABEL BLAU MASSELEITER | ||
| AL521366 | KABEL ROT BATTERIE/RELAIS | ||


Qualitätsmanagement
Informieren Sie uns, wenn Sie einen Fehler gefunden haben.

