Brill Rasentraktor T103-16 H CROSSOVER Ersatzteile
T103-16 H CROSSOVER Rasentraktor
Artikel Nummer: 119963 119963

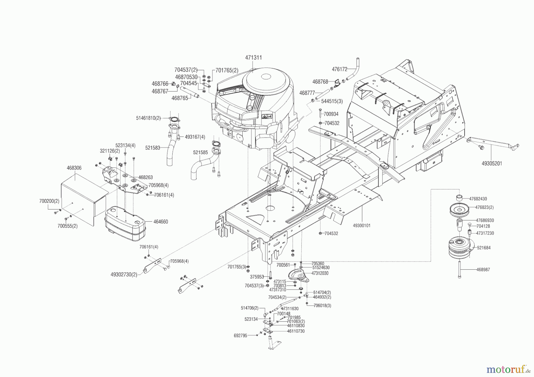
Hier finden Sie die Ersatzteilzeichnung für Brill Gartentechnik Rasentraktor T103-16 H CROSSOVER 02/2019 - 03/2020 Seite 2. Wählen Sie das benötigte Ersatzteil aus der Ersatzteilliste Ihres Brill Gerätes aus und bestellen Sie einfach online. Viele Brill Ersatzteile halten wir ständig in unserem Lager für Sie bereit.


Qualitätsmanagement
Informieren Sie uns, wenn Sie einen Fehler gefunden haben.







