AL-KO T16-102 HD V2 PRO HVC Ersatzteile
T16-102 HD V2 PRO HVC Rasentraktor
Artikel Nummer: 119881 119881

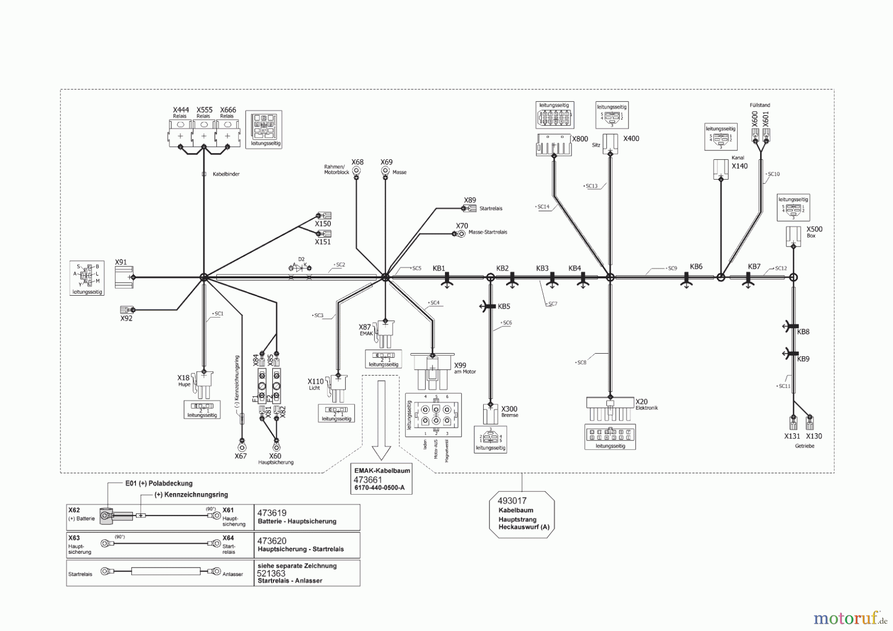
Hier finden Sie die Ersatzteilzeichnung für AL-KO Gartentechnik Rasentraktor T16-102 HD V2 PRO HVC 05/2018 - 02/2019 Seite 10. Wählen Sie das benötigte Ersatzteil aus der Ersatzteilliste Ihres AL-KO Gerätes aus und bestellen Sie einfach online. Viele AL-KO Ersatzteile halten wir ständig in unserem Lager für Sie bereit.


Qualitätsmanagement
Informieren Sie uns, wenn Sie einen Fehler gefunden haben.

