AL-KO T15-93.9 HD-A BLACK EDITION Ersatzteile
T15-93.9 HD-A BLACK EDITION Rasentraktor
Artikel Nummer: 119932 119932

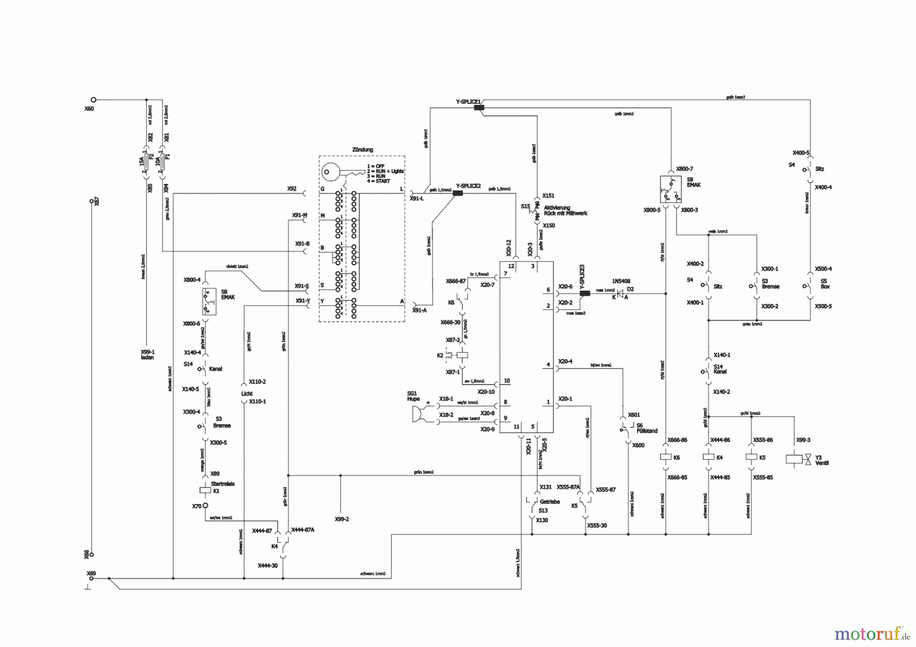
Hier finden Sie die Ersatzteilzeichnung für AL-KO Gartentechnik Rasentraktor T15-93.9 HD-A BLACK EDITION ab 04/2020 Seite 11. Wählen Sie das benötigte Ersatzteil aus der Ersatzteilliste Ihres AL-KO Gerätes aus und bestellen Sie einfach online. Viele AL-KO Ersatzteile halten wir ständig in unserem Lager für Sie bereit.


Qualitätsmanagement
Informieren Sie uns, wenn Sie einen Fehler gefunden haben.

