Einstellungen Computer

Gutbrod Sprint 1002 E 02840.08 (1996) Fahrantrieb, Mähantrieb Ersatzteile

Fahrantrieb, Mähantrieb 02840.08 (1996)

 Gutbrod Rasentraktoren Sprint 1002 E 02840.08  (1996) Fahrantrieb, Mähantrieb

Hier finden Sie die Ersatzteilzeichnung für Gutbrod Rasentraktoren Sprint 1002 E 02840.08 (1996) Fahrantrieb, Mähantrieb. Wählen Sie das benötigte Ersatzteil aus der Ersatzteilliste Ihres Gutbrod Gerätes aus und bestellen Sie einfach online. Viele Gutbrod Ersatzteile halten wir ständig in unserem Lager für Sie bereit.

Häufig benötigte Gutbrod Sprint 1002 E 02840.08 (1996) Fahrantrieb, Mähantrieb Ersatzteile

SPEZIALKEILRIEMEN / MÄHWERK
Artikelnummer: 000.75.766
Suche nach: 000.75.766
Hersteller: MTD
Gutbrod Ersatzteil Fahrantrieb, Mähantrieb
24.44 €
für EU incl. MwSt., zzgl. Versand
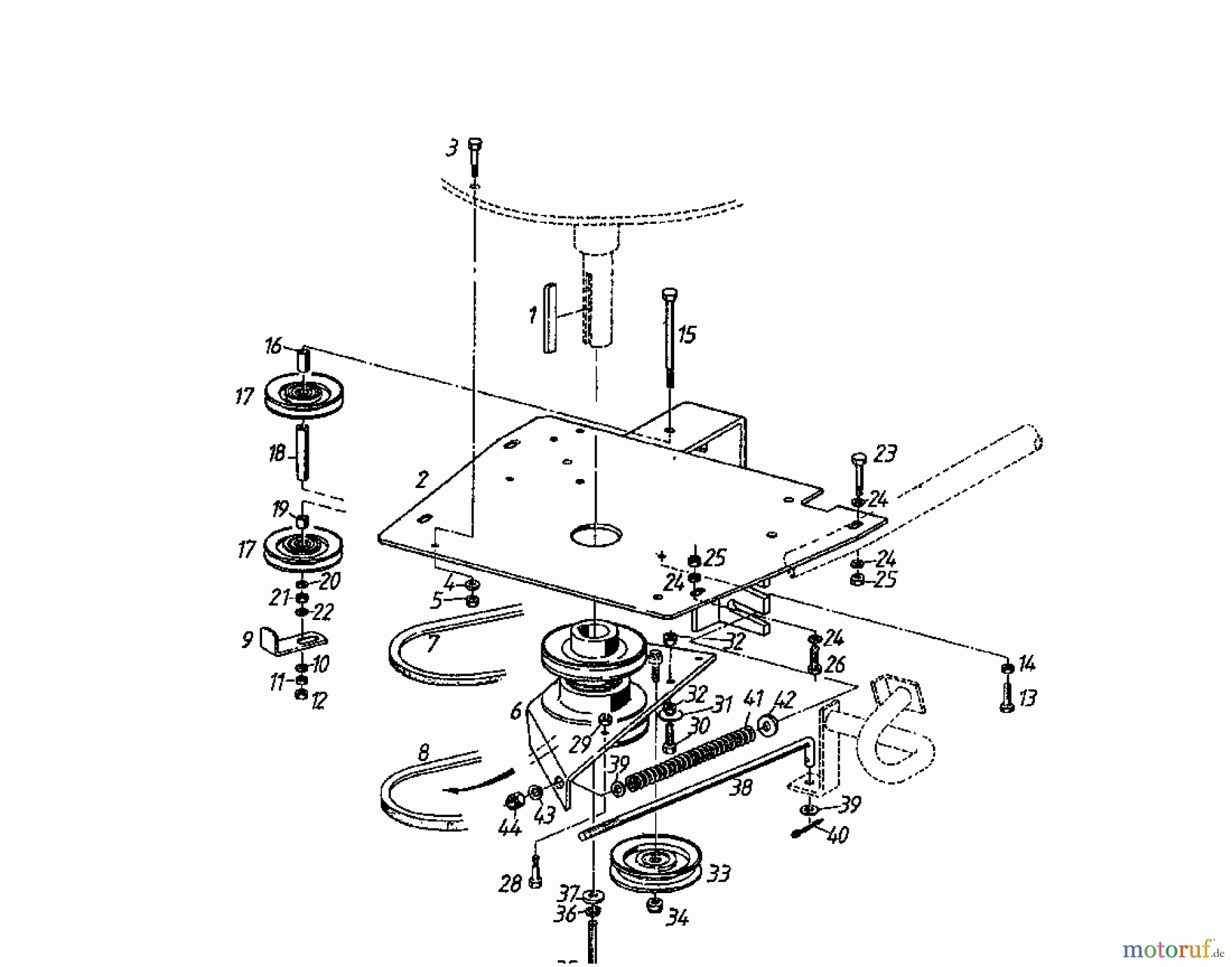
BildNrArtikel NummerBezeichnung
1 090.64.838PASSFEDER
2 029.11.810MOTORPLATTE KPL.
3 21.1443.75SECHSKANTSCHRAUBE DIN 931
4 24.6481.18SCHEIBE DIN 125
5 24.1426.18SICHERUNGSMUTTER DIN 985-8
6 029.11.910ANTRIEBSBLOCK
7 Gutbrod SPEZIALKEILRIEMEN AUSF.05000.75.923SPEZIALKEILRIEMEN AUSF.05
8 Gutbrod SPEZIALKEILRIEMEN / MÄHWERK000.75.766SPEZIALKEILRIEMEN / MÄHWERK
9 029.25.123FUEHRUNGSWINKEL
10 24.6481.22SCHEIBE DIN 125
11 24.8190.22SICHERUNGSSCHEIBE DIN N
12 24.1423.16SECHSKANTMUTTER DIN 439
13 21.1443.77SECHSKANTSCHRAUBE DIN 931
14 24.1421.18SECHSKANTMUTTER DIN 934
15 21.1444.07SECHSKANTSCHRAUBE DIN 931-8.8
16 029.11.017DISTANZSTUECK
17 029.11.905KEILRIEMENSCHEIBE KPL.KLEIN
18 029.11.016DISTANZSTUECK
19 029.11.015DISTANZSTUECK
20 24.6273.32PASS UND STUETZSCHEIBEDIN 988
21 24.1423.16SECHSKANTMUTTER DIN 439
22 24.6481.22SCHEIBE DIN 125
23 21.1443.76SECHSKANTSCHRAUBE DIN 931-8.8
24 24.6481.18SCHEIBE DIN 125
25 24.1426.18SICHERUNGSMUTTER DIN 985-8
26 21.1443.75SECHSKANTSCHRAUBE DIN 931
28 21.1443.76SECHSKANTSCHRAUBE DIN 931-8.8
29 24.1421.18SECHSKANTMUTTER DIN 934
30 21.1443.77SECHSKANTSCHRAUBE DIN 931
31 24.6486.22SCHEIBE DIN 9021
32 24.1421.18SECHSKANTMUTTER DIN 934
33 029.11.903SPANNROLLE KPL. / E-TEIL-SET
34 24.1426.22SICHERUNGSMUTTER DIN 985-8
36 24.8190.23SICHERUNGSSCHEIBE DIN N
37 24.6484.25BLANKE SCHEIBE DIN 1440
38 029.11.010GEWINDESTANGE
39 24.6481.22SCHEIBE DIN 125
40 24.6488.38SPLINT DIN 94
41 000.30.279DRUCKFEDER
42 000.20.621SCHEIBE
43 000.20.620KUGELSCHEIBE C10,5 DIN 6319
44 24.1426.22SICHERUNGSMUTTER DIN 985-8
Rasen
Bankeinzug, MasterCard, Visa, American Express, PayPal, Nachnahme, Vorauskasse, Sofortüberweisung
Datenschutzerklärung Impressum
Qualitätsmanagement
Informieren Sie uns, wenn Sie einen Fehler gefunden haben.