Gutbrod Sprint 1002 E 02840.08 (1996) Batterie, Rahmen, Sitz Ersatzteile
Batterie, Rahmen, Sitz 02840.08 (1996)

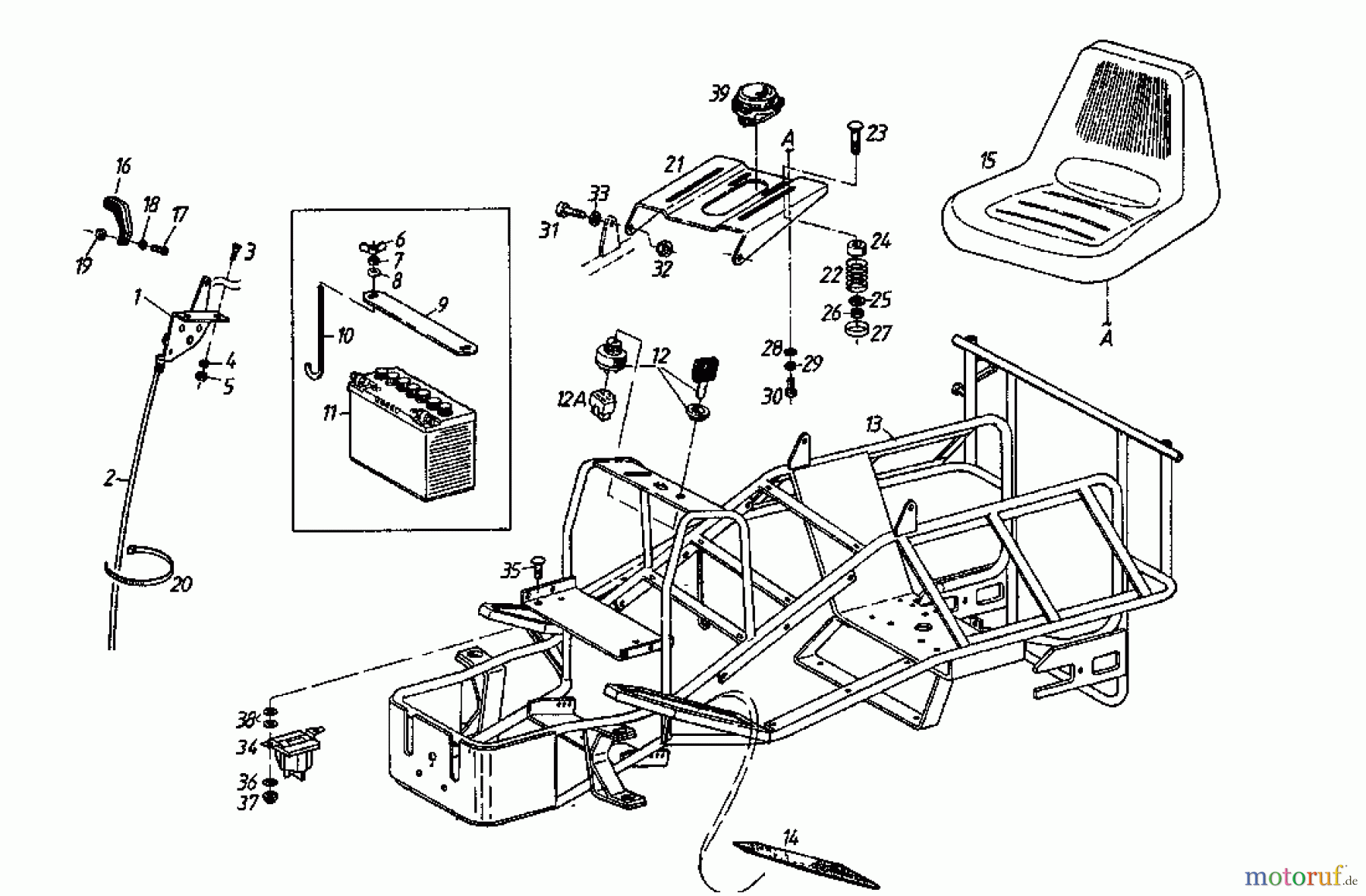
Hier finden Sie die Ersatzteilzeichnung für Gutbrod Rasentraktoren Sprint 1002 E 02840.08 (1996) Batterie, Rahmen, Sitz. Wählen Sie das benötigte Ersatzteil aus der Ersatzteilliste Ihres Gutbrod Gerätes aus und bestellen Sie einfach online. Viele Gutbrod Ersatzteile halten wir ständig in unserem Lager für Sie bereit.


Qualitätsmanagement
Informieren Sie uns, wenn Sie einen Fehler gefunden haben.

