Gutbrod Sprint 1000 E 02840.04 (1990) Mähwerk 66cm Ersatzteile
Mähwerk 66cm 02840.04 (1990)

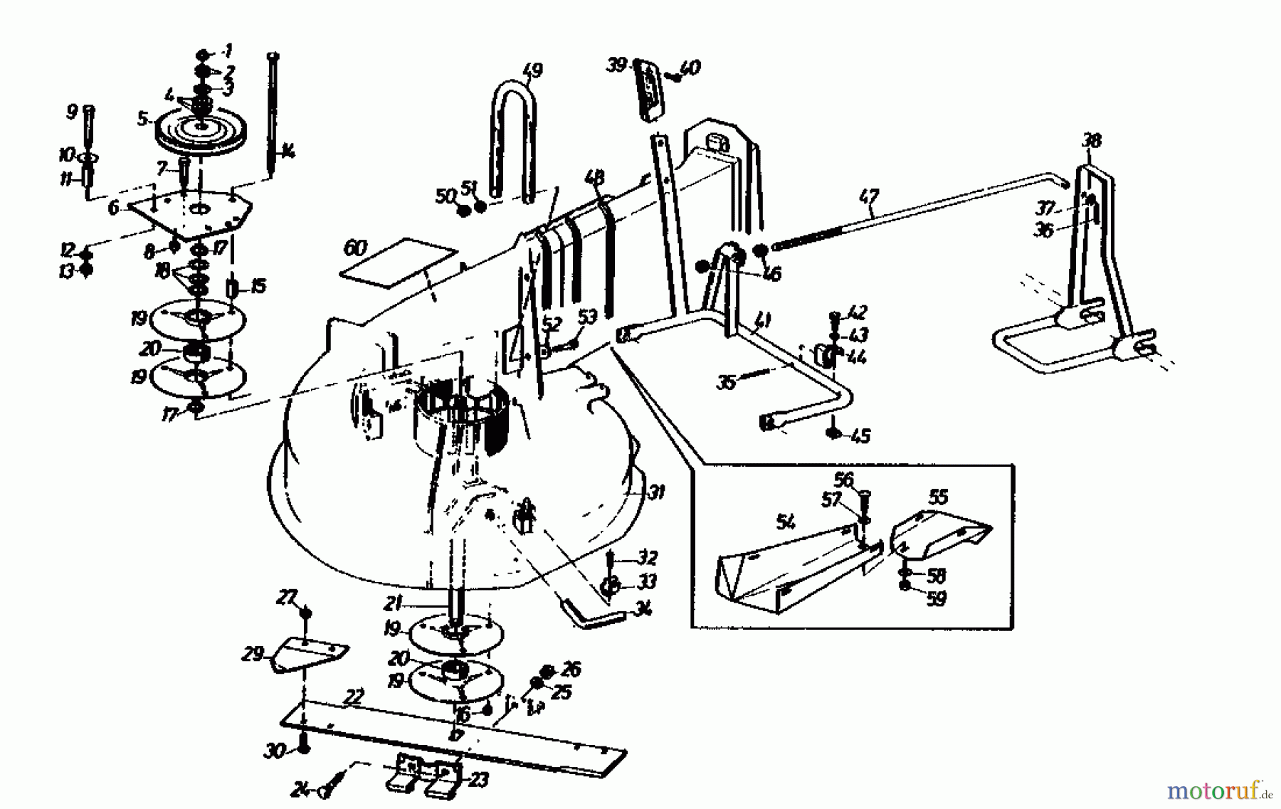
Hier finden Sie die Ersatzteilzeichnung für Gutbrod Rasentraktoren Sprint 1000 E 02840.04 (1990) Mähwerk 66cm. Wählen Sie das benötigte Ersatzteil aus der Ersatzteilliste Ihres Gutbrod Gerätes aus und bestellen Sie einfach online. Viele Gutbrod Ersatzteile halten wir ständig in unserem Lager für Sie bereit.


Qualitätsmanagement
Informieren Sie uns, wenn Sie einen Fehler gefunden haben.

