Gutbrod Sprint 1000 E 02840.04 (1988) Fahrantrieb, Mähantrieb Ersatzteile
Fahrantrieb, Mähantrieb 02840.04 (1988)

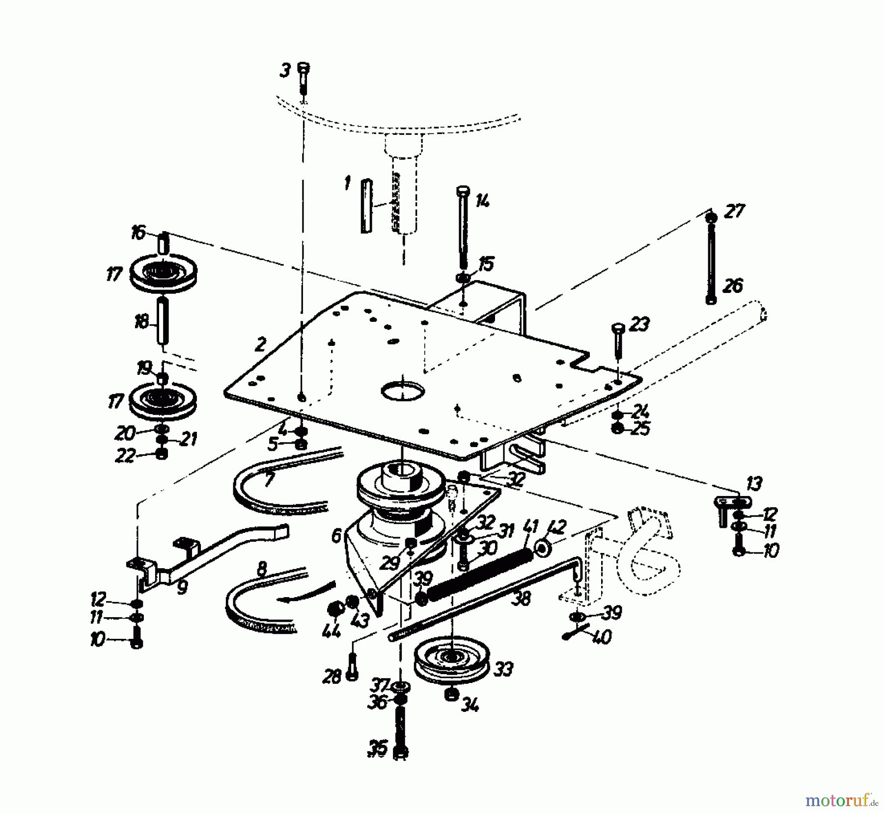
Hier finden Sie die Ersatzteilzeichnung für Gutbrod Rasentraktoren Sprint 1000 E 02840.04 (1988) Fahrantrieb, Mähantrieb. Wählen Sie das benötigte Ersatzteil aus der Ersatzteilliste Ihres Gutbrod Gerätes aus und bestellen Sie einfach online. Viele Gutbrod Ersatzteile halten wir ständig in unserem Lager für Sie bereit.
Häufig benötigte Gutbrod Sprint 1000 E 02840.04 (1988) Fahrantrieb, Mähantrieb Ersatzteile


Qualitätsmanagement
Informieren Sie uns, wenn Sie einen Fehler gefunden haben.





