Gutbrod SC Edition 13B-334-690 (2011) Anhängekupplung, Rahmen, Tank Ersatzteile
Anhängekupplung, Rahmen, Tank 13B-334-690 (2011)

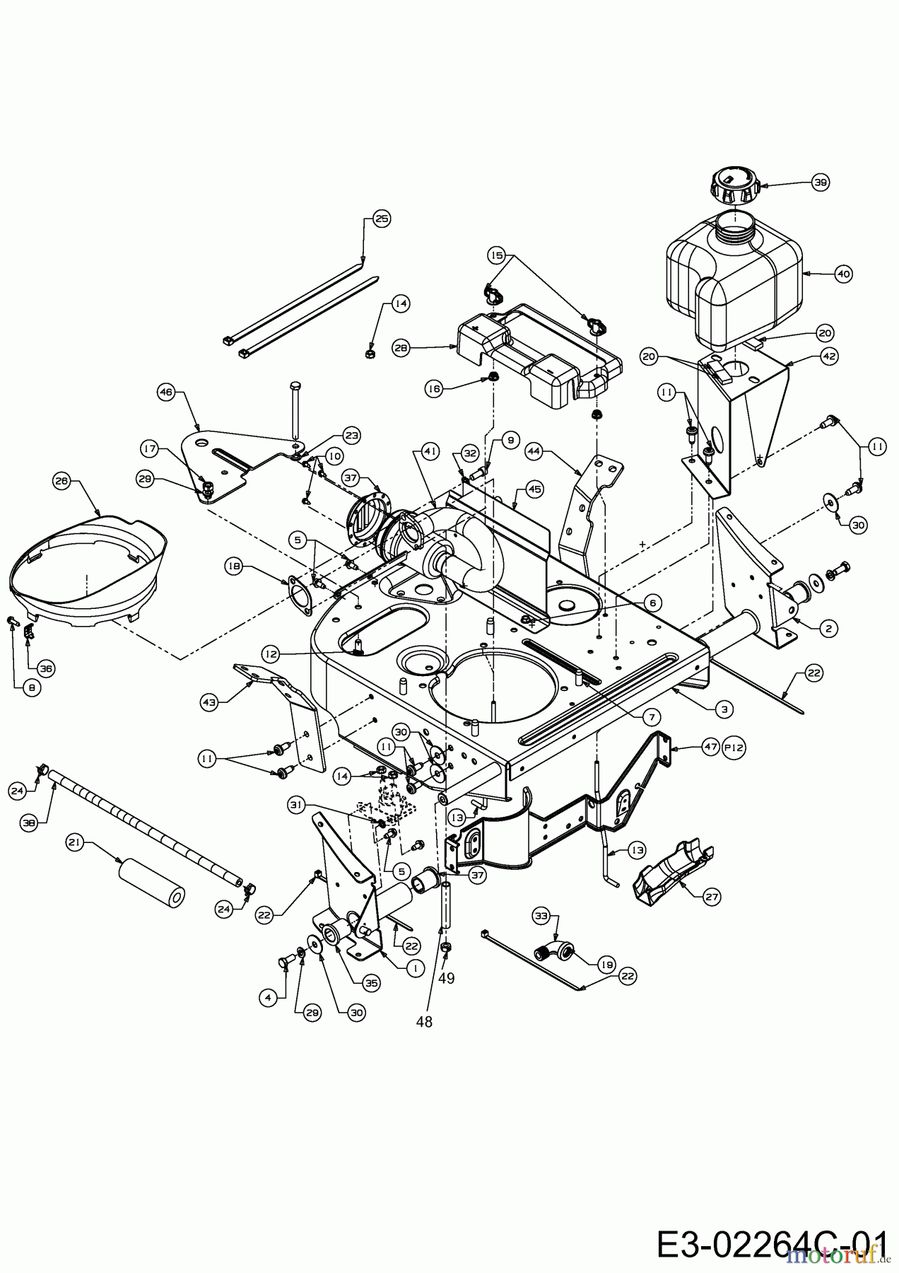
Hier finden Sie die Ersatzteilzeichnung für Gutbrod Rasentraktoren SC Edition 13B-334-690 (2011) Anhängekupplung, Rahmen, Tank. Wählen Sie das benötigte Ersatzteil aus der Ersatzteilliste Ihres Gutbrod Gerätes aus und bestellen Sie einfach online. Viele Gutbrod Ersatzteile halten wir ständig in unserem Lager für Sie bereit.


Qualitätsmanagement
Informieren Sie uns, wenn Sie einen Fehler gefunden haben.


















