Gutbrod RSB 100-12 00097.05 (1994) Mähwerksaushebung Ersatzteile
Mähwerksaushebung 00097.05 (1994)

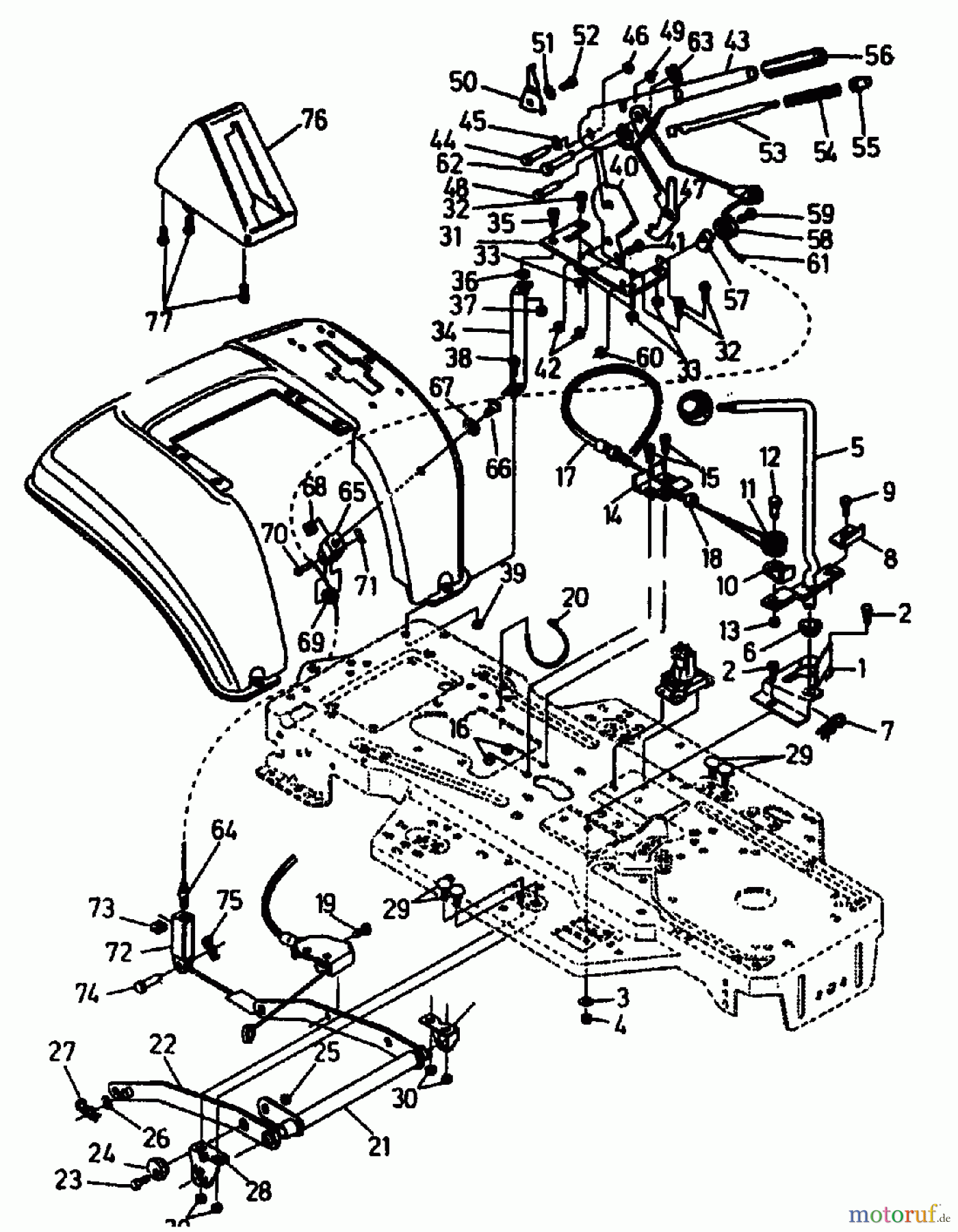
Hier finden Sie die Ersatzteilzeichnung für Gutbrod Rasentraktoren RSB 100-12 00097.05 (1994) Mähwerksaushebung. Wählen Sie das benötigte Ersatzteil aus der Ersatzteilliste Ihres Gutbrod Gerätes aus und bestellen Sie einfach online. Viele Gutbrod Ersatzteile halten wir ständig in unserem Lager für Sie bereit.


