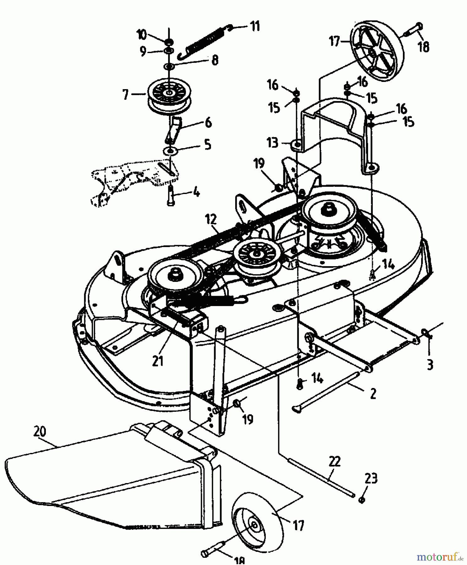
Gutbrod RSB 100-12 00097.05 (1994) Mähwerk 100cm Ersatzteile
Mähwerk 100cm 00097.05 (1994)

Hier finden Sie die Ersatzteilzeichnung für Gutbrod Rasentraktoren RSB 100-12 00097.05 (1994) Mähwerk 100cm. Wählen Sie das benötigte Ersatzteil aus der Ersatzteilliste Ihres Gutbrod Gerätes aus und bestellen Sie einfach online. Viele Gutbrod Ersatzteile halten wir ständig in unserem Lager für Sie bereit.



