Stiga Baujahr 2017 Schneefräsen Benzin 2017 ST 6276 PB 2S2765621/S17 - Season 2017 Housing Ersatzteile
Housing ST 6276 PB 2S2765621/S17 - Season 2017

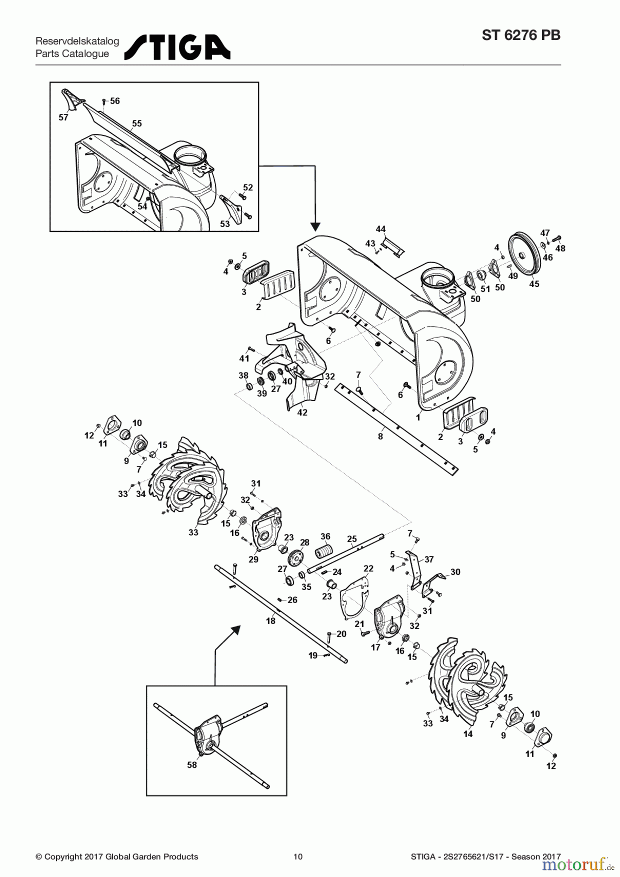
Hier finden Sie die Ersatzteilzeichnung für Stiga Schneefräsen Baujahr 2017 Schneefräsen Benzin 2017 ST 6276 PB 2S2765621/S17 - Season 2017 Housing. Wählen Sie das benötigte Ersatzteil aus der Ersatzteilliste Ihres Stiga Gerätes aus und bestellen Sie einfach online. Viele Stiga Ersatzteile halten wir ständig in unserem Lager für Sie bereit.


Qualitätsmanagement
Informieren Sie uns, wenn Sie einen Fehler gefunden haben.



