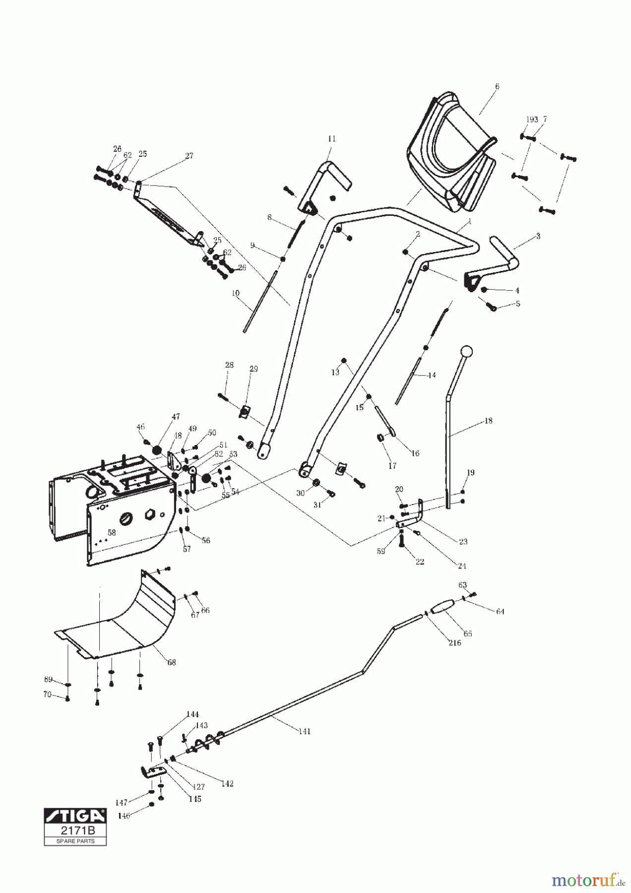
Stiga Baujahr 2017 Schneefräsen Benzin 2017 ST 3262 PB 18-2871-12 - Season 2017 HANDLE CONTROLS Ersatzteile
HANDLE CONTROLS ST 3262 PB 18-2871-12 - Season 2017

Hier finden Sie die Ersatzteilzeichnung für Stiga Schneefräsen Baujahr 2017 Schneefräsen Benzin 2017 ST 3262 PB 18-2871-12 - Season 2017 HANDLE CONTROLS. Wählen Sie das benötigte Ersatzteil aus der Ersatzteilliste Ihres Stiga Gerätes aus und bestellen Sie einfach online. Viele Stiga Ersatzteile halten wir ständig in unserem Lager für Sie bereit.







