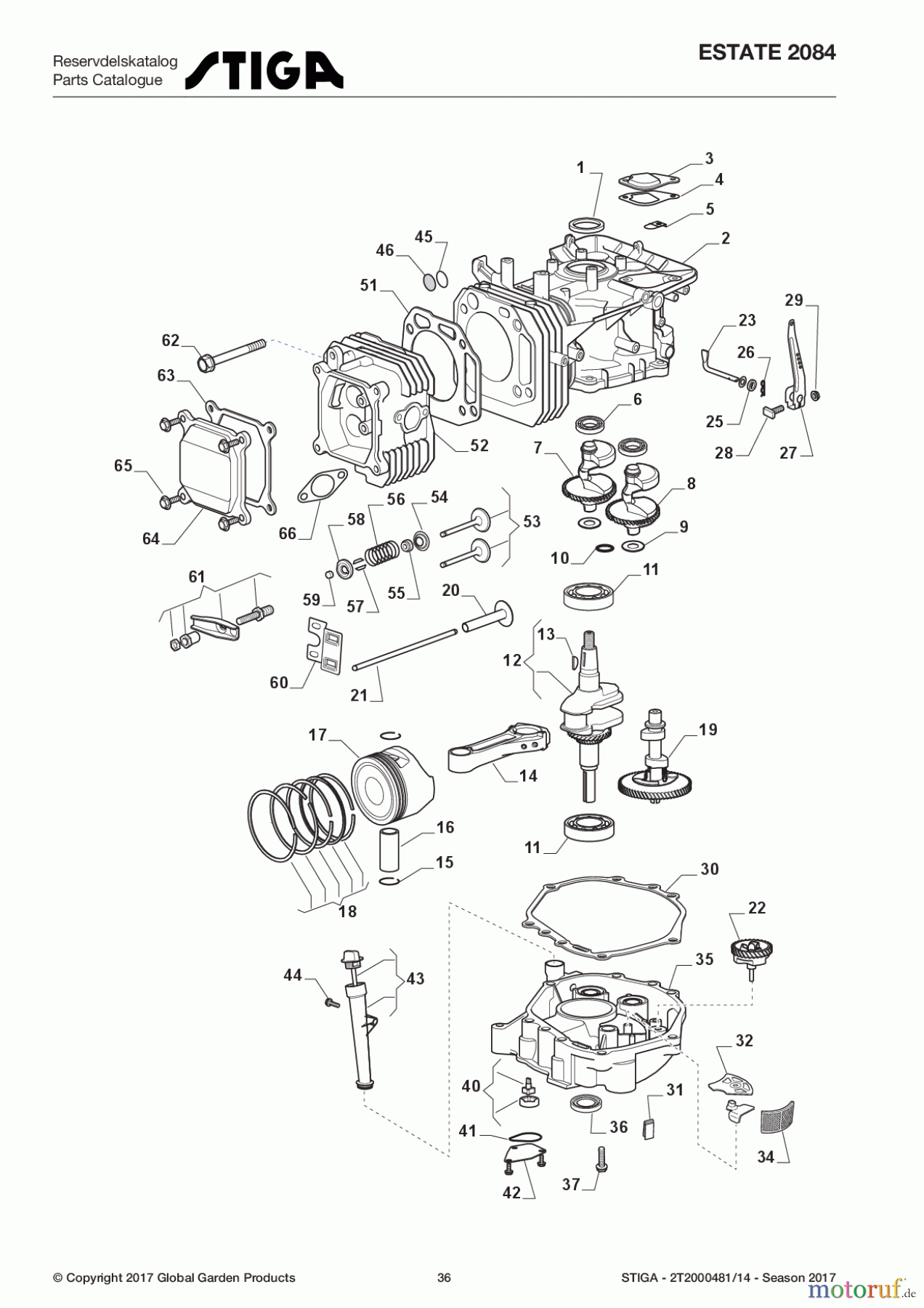
Stiga Baujahr 2017 ESTATE 2084 2T2000481/14 - Season 2017 Engine - Piston, Crankshaft Ersatzteile
Engine - Piston, Crankshaft ESTATE 2084 2T2000481/14 - Season 2017

Hier finden Sie die Ersatzteilzeichnung für Stiga Aufsitzmäher Baujahr 2017 ESTATE 2084 2T2000481/14 - Season 2017 Engine - Piston, Crankshaft. Wählen Sie das benötigte Ersatzteil aus der Ersatzteilliste Ihres Stiga Gerätes aus und bestellen Sie einfach online. Viele Stiga Ersatzteile halten wir ständig in unserem Lager für Sie bereit.






