Stiga Baujahr 2017 TORNADO 6118 HW 2T1925681/17 - Season 2017 Transmission Ersatzteile
Transmission TORNADO 6118 HW 2T1925681/17 - Season 2017

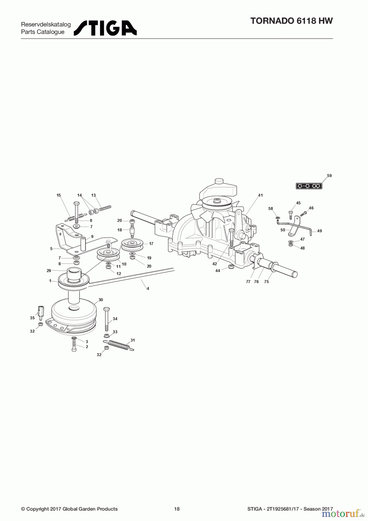
Hier finden Sie die Ersatzteilzeichnung für Stiga Aufsitzmäher Baujahr 2017 TORNADO 6118 HW 2T1925681/17 - Season 2017 Transmission. Wählen Sie das benötigte Ersatzteil aus der Ersatzteilliste Ihres Stiga Gerätes aus und bestellen Sie einfach online. Viele Stiga Ersatzteile halten wir ständig in unserem Lager für Sie bereit.
| BildNr | Artikel Nummer | Bezeichnung | |
| 1 | 182595501/0 | Pulley | |
| 2 | 125943013/0 | Screw | |
| 3 | 112543000/0 | Washer | |
| 4 | 135062020/1 | Trapezoidal Belt | |
| 5 | 382318165/2 | Lever | |
| 6 | 112793905/0 | Screw | |
| 7 | 125038002/1 | Bushing | |
| 8 | ![]() | 112155000/0 | Nut |
| 9 | 125160027/0 | Spacer | |
| 10 | 125601554/0 | Pulley | |
| 11 | 112523060/0 | Washer | |
| 12 | ![]() | 112155000/0 | Nut |
| 13 | 125840010/1 | Tie Rod | |
| 14 | 112293200/0 | Nut | |
| 15 | 125430219/1 | Spring | |
| 17 | 325601599/0 | Pulley | |
| 18 | 125510139/0 | Pin | |
| 19 | 112523060/0 | Washer | |
| 20 | ![]() | 112155000/0 | Nut |
| 29 | 125160021/0 | Spacer | |
| 30 | 118399069/0 | Electromagnetic Clutch | |
| 31 | 127430592/0 | Brake Spring | |
| 32 | ![]() | 112154210/0 | Nut |
| 33 | ![]() | 112154220/0 | Nut |
| 34 | 112691100/0 | Screw | |
| 35 | 125598055/0 | Clutch Pin Extension | |
| 41 | 118400950/1 | (K46F) (K46F) | |
| 42 | 112691800/0 | Screw | |
| 44 | ![]() | 112154210/0 | Nut |
| 45 | 112691200/0 | Screw | |
| 46 | 112735150/0 | Screw | |
| 47 | 112521350/0 | Washer | |
| 48 | ![]() | 112155000/0 | Nut |
| 49 | 125033129/0 | Rod | |
| 50 | 325785523/0 | Rear Support | |
| 58 | 112604896/0 | Crown Fastener | |
| 59 | 114357423/2 | Label | |
| 75 | ![]() | 112521410/0 | Washer |
| 76 | 125160023/0 | Spacer | |
| 77 | 325670025/0 | Washer | |


Qualitätsmanagement
Informieren Sie uns, wenn Sie einen Fehler gefunden haben.





