LONCIN Motoren Kolben, Pleuel Ersatzteile
Kolben, Pleuel G340F, G340FD, G390F, G390FD, G420F, G420FD

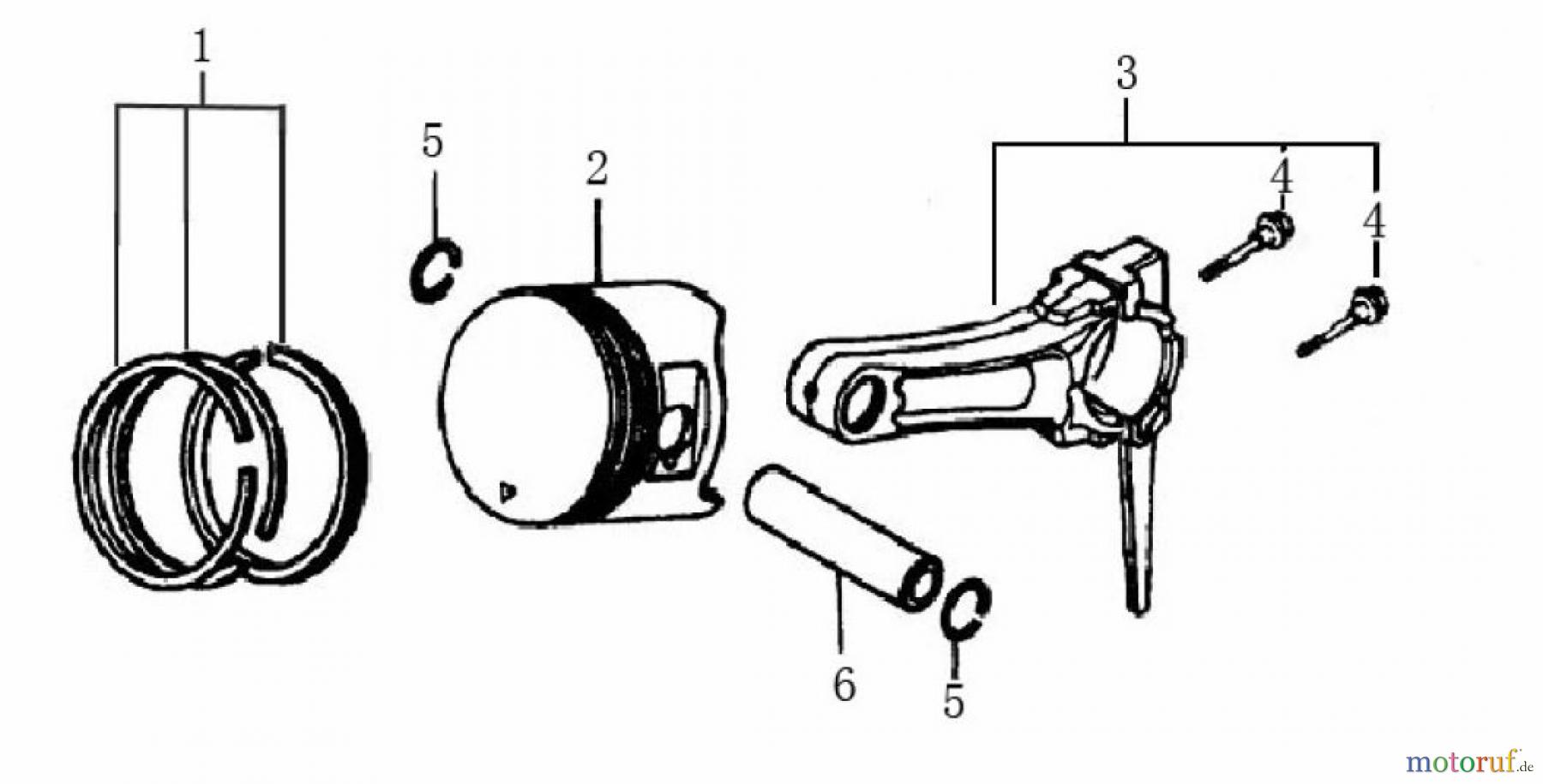
Hier finden Sie die Ersatzteilzeichnung für LONCIN Motoren G340F, G340FD, G390F, G390FD, G420F, G420FD Kolben, Pleuel. Wählen Sie das benötigte Ersatzteil aus der Ersatzteilliste Ihres LONCIN Motoren Gerätes aus und bestellen Sie einfach online. Viele LONCIN Motoren Ersatzteile halten wir ständig in unserem Lager für Sie bereit.


Qualitätsmanagement
Informieren Sie uns, wenn Sie einen Fehler gefunden haben.

