LONCIN Motoren Kurbelgehäuse Ersatzteile
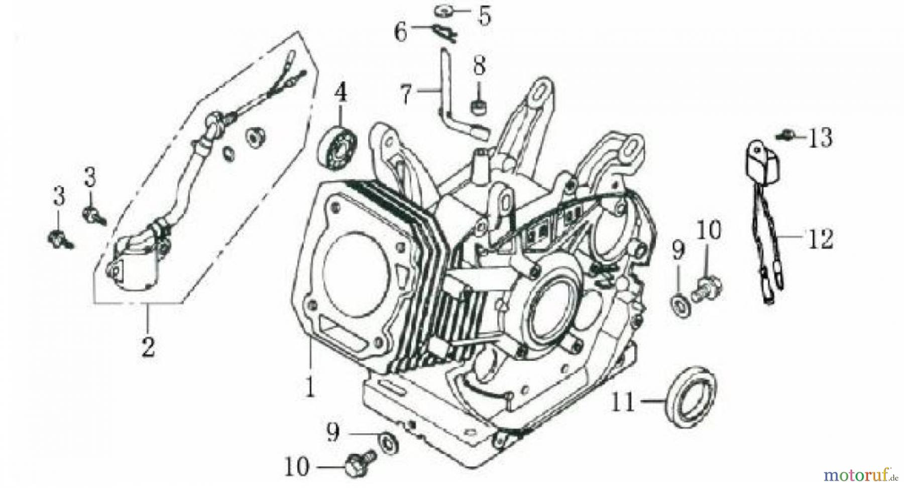
Kurbelgehäuse G240F, G240FD, G270F, G270FD

Hier finden Sie die Ersatzteilzeichnung für LONCIN Motoren G240F, G240FD, G270F, G270FD Kurbelgehäuse. Wählen Sie das benötigte Ersatzteil aus der Ersatzteilliste Ihres LONCIN Motoren Gerätes aus und bestellen Sie einfach online. Viele LONCIN Motoren Ersatzteile halten wir ständig in unserem Lager für Sie bereit.


Qualitätsmanagement
Informieren Sie uns, wenn Sie einen Fehler gefunden haben.

