LONCIN Motoren Elektrostarter Ersatzteile
Elektrostarter LC168F(D)-1、LC168F(D)-2、LC168F(D)-1B、LC168F(D)-2B、LC168F(D)-1C、LC168F(D)-2C、G160F(D)、G200F(D)、G160F(D)-B、G200F(D)-B、G160F(D)-C、G200F(D)-C

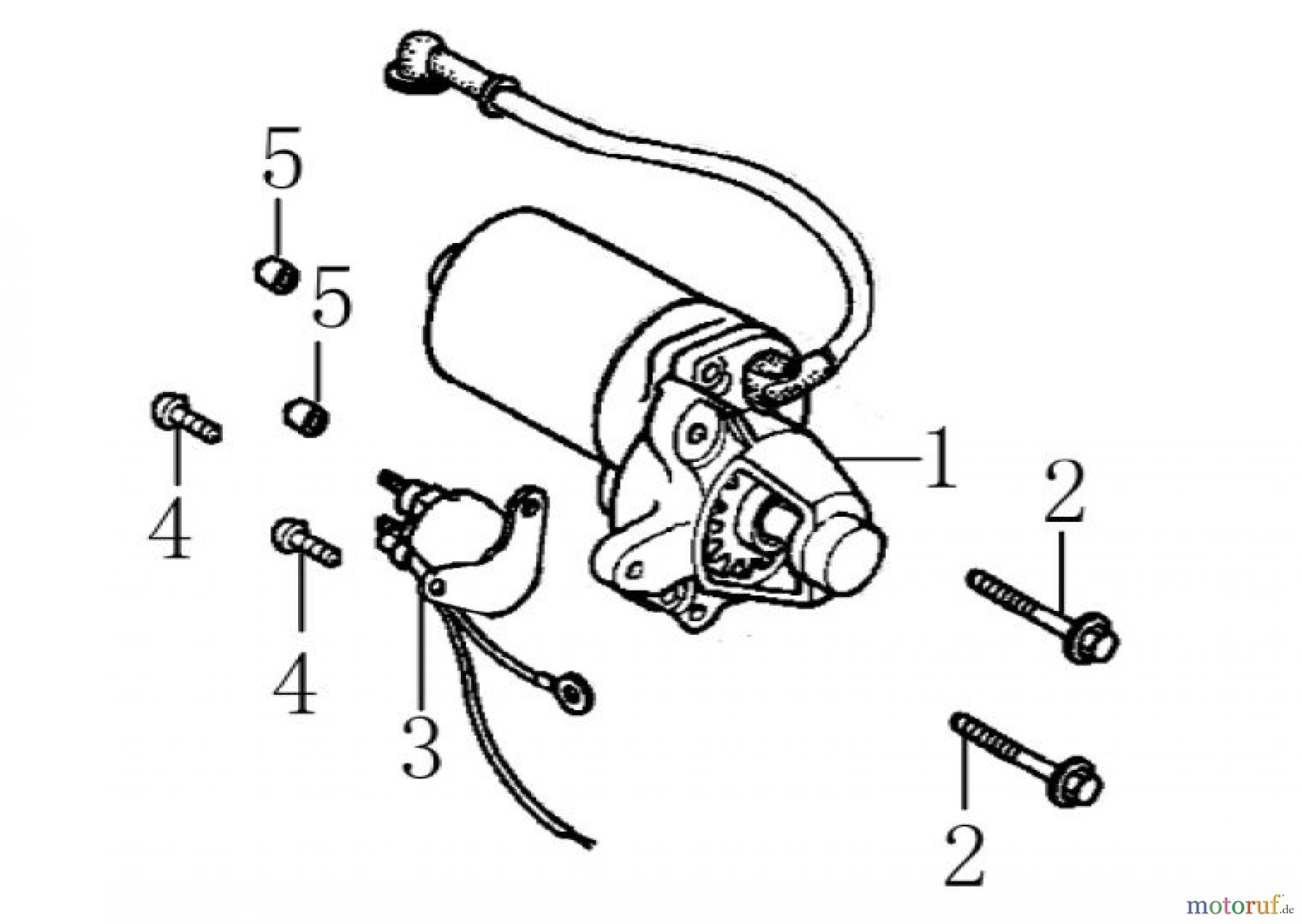
Hier finden Sie die Ersatzteilzeichnung für LONCIN Motoren LC168F(D)-1、LC168F(D)-2、LC168F(D)-1B、LC168F(D)-2B、LC168F(D)-1C、LC168F(D)-2C、G160F(D)、G200F(D)、G160F(D)-B、G200F(D)-B、G160F(D)-C、G200F(D)-C Elektrostarter. Wählen Sie das benötigte Ersatzteil aus der Ersatzteilliste Ihres LONCIN Motoren Gerätes aus und bestellen Sie einfach online. Viele LONCIN Motoren Ersatzteile halten wir ständig in unserem Lager für Sie bereit.
| BildNr | Artikel Nummer | Bezeichnung | |
| 1 | 270360017 | STARTER MOTOR | |
| 2 | 380140102 | M6X25 BOLT | |
| 3 | 270810096 | CONTACTER COMP | |
| 4 | 380140167 | M5X12 BOLT | |
| 5 | 380600121 | 8x10 PIN | |


Qualitätsmanagement
Informieren Sie uns, wenn Sie einen Fehler gefunden haben.

