LONCIN Motoren Seilzugstarter Ersatzteile
Seilzugstarter LC165F, LC165FD, LC170F, LC170FD

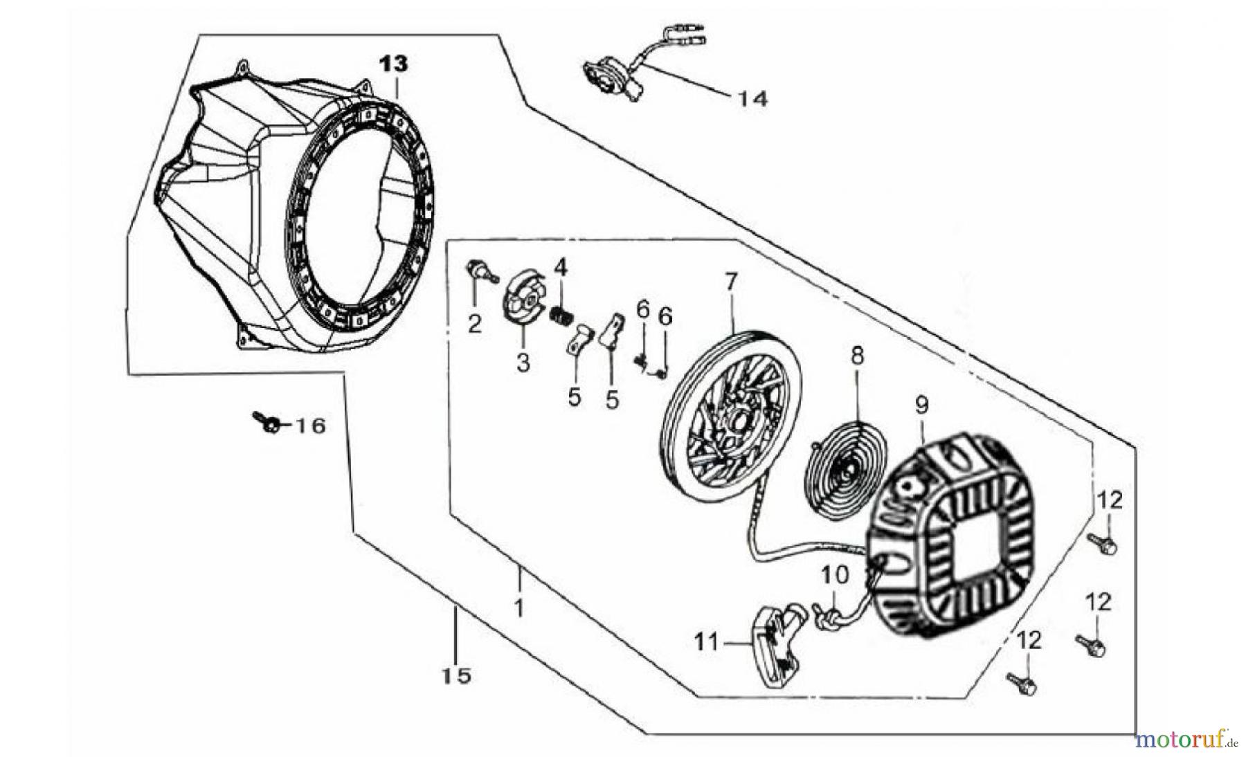
Hier finden Sie die Ersatzteilzeichnung für LONCIN Motoren LC165F, LC165FD, LC170F, LC170FD Seilzugstarter. Wählen Sie das benötigte Ersatzteil aus der Ersatzteilliste Ihres LONCIN Motoren Gerätes aus und bestellen Sie einfach online. Viele LONCIN Motoren Ersatzteile halten wir ständig in unserem Lager für Sie bereit.
| BildNr | Artikel Nummer | Bezeichnung | |
| 1 | 193500046 | STARTER ASSY. | |
| 2 | 380020067 | SCREW | |
| 3 | 193550003 | GUIDE | |
| 4 | 381150342 | SPRING | |
| 5 | 193540003 | RATCHET | |
| 6 | 381160090 | SPRING | |
| 7 | 193520003 | REEL | |
| 8 | 193340018 | SPRING | |
| 9 | 193640023 | COVER COMP . | |
| 10 | 193530004 | ROPE | |
| 11 | 193560004 | KNOB | |
| 12 | 380140089 | 8 BOLT | |
| 13 | 160210042 | COVER COMP . | |
| 14 | 271660031 | SWITCH ASSY. | |
| 15 | 193490120 | RECOIL STARTER COMP. | |
| 16 | 380140001 | BOLT , FLANGE 6x12 | |


Qualitätsmanagement
Informieren Sie uns, wenn Sie einen Fehler gefunden haben.

