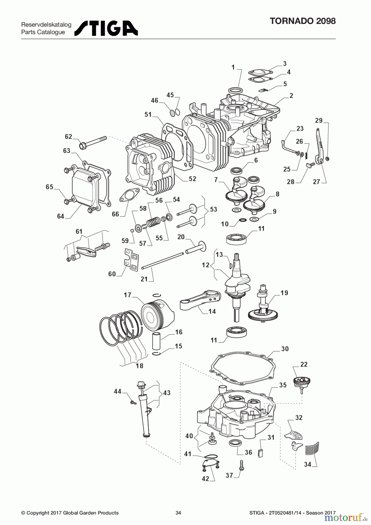
Stiga Baujahr 2017 TORNADO 2098 2T0520481/14 - Season 2017 Engine - Piston, Crankshaft Ersatzteile
Engine - Piston, Crankshaft TORNADO 2098 2T0520481/14 - Season 2017

Hier finden Sie die Ersatzteilzeichnung für Stiga Aufsitzmäher Baujahr 2017 TORNADO 2098 2T0520481/14 - Season 2017 Engine - Piston, Crankshaft. Wählen Sie das benötigte Ersatzteil aus der Ersatzteilliste Ihres Stiga Gerätes aus und bestellen Sie einfach online. Viele Stiga Ersatzteile halten wir ständig in unserem Lager für Sie bereit.






