Milwaukee Befestigen NAGLER M18 FN18GS Akku Nagler Ersatzteile
M18 FN18GS Akku Nagler NAGLER
4000474126 4933471409

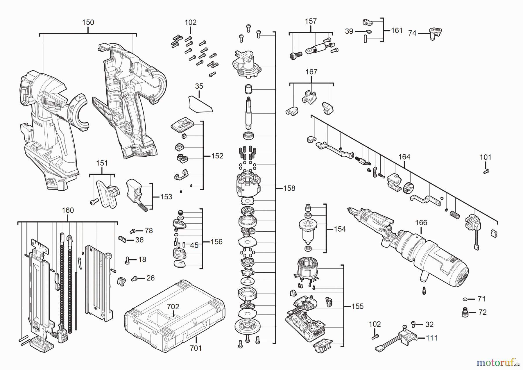
Hier finden Sie die Ersatzteilzeichnung für Milwaukee Akku-Geräte Befestigen NAGLER M18 FN18GS Akku Nagler Seite 1. Wählen Sie das benötigte Ersatzteil aus der Ersatzteilliste Ihres Milwaukee Gerätes aus und bestellen Sie einfach online. Viele Milwaukee Ersatzteile halten wir ständig in unserem Lager für Sie bereit.
| BildNr | Artikel Nummer | Bezeichnung | |
| 0018 | 4931446540 | SCHRAUBE | |
| 0026 | 4931453100 | SCHRAUBE | |
| 0032 | 4931472311 | SCHRAUBE | |
| 0035 | 4931472312 | LEISTUNGSSCHILD | |
| 0036 | 4931472313 | TRAEGER | |
| 0039 | 4931465917 | HALTERING | |
| 0045 | 4931472314 | STIFT | |
| 0071 | 4931472315 | O | |
| 0072 | 4931472316 | STOPFEN | |
| 0074 | 4931472317 | SPERRE | |
| 0078 | 4931454390 | SCHRAUBE | |
| 0101 | 660380006 | SCHRAUBE | |
| 0102 | 660570005 | SCHRAUBE | |
| 0111 | 4931472319 | ELEKTRONIK | |
| 0150 | 4931472320 | GEHAEUSE | |
| 0151 | 4931472321 | HAKEN | |
| 0152 | 4931472322 | SCHALTERPLATTE | |
| 0153 | 4931472323 | DRUECKER | |
| 0154 | 4931472324 | ROTOR | |
| 0155 | 4931472325 | MOTORELEKTRONIK | |
| 0156 | 4931472326 | ANTRIEB | |
| 0157 | 4931472327 | MAGNET | |
| 0158 | 4931472328 | GETRIEBEKASTEN | |
| 0160 | 4931472329 | MAGAZIN | |
| 0161 | 4931472330 | VERBINDUNGSTEIL | |
| 0164 | 4931472333 | TIEFENANSCHLAG | |
| 0166 | 4931472335 | ZYLINDER | |
| 0167 | 4931472336 | NASENSTUECK | |
| 0701 | 4932453386 | HD | |
| 0702 | 4931472337 | EINSATZ | |


Qualitätsmanagement
Informieren Sie uns, wenn Sie einen Fehler gefunden haben.

