Milwaukee Befestigen Schlagschrauber HD18 HIWF AKKU-SCHLAGSCHRAUBER MIT SPRENGRIN Ersatzteile
HD18 HIWF AKKU-SCHLAGSCHRAUBER MIT SPRENGRIN Schlagschrauber
4000447203 4933441794

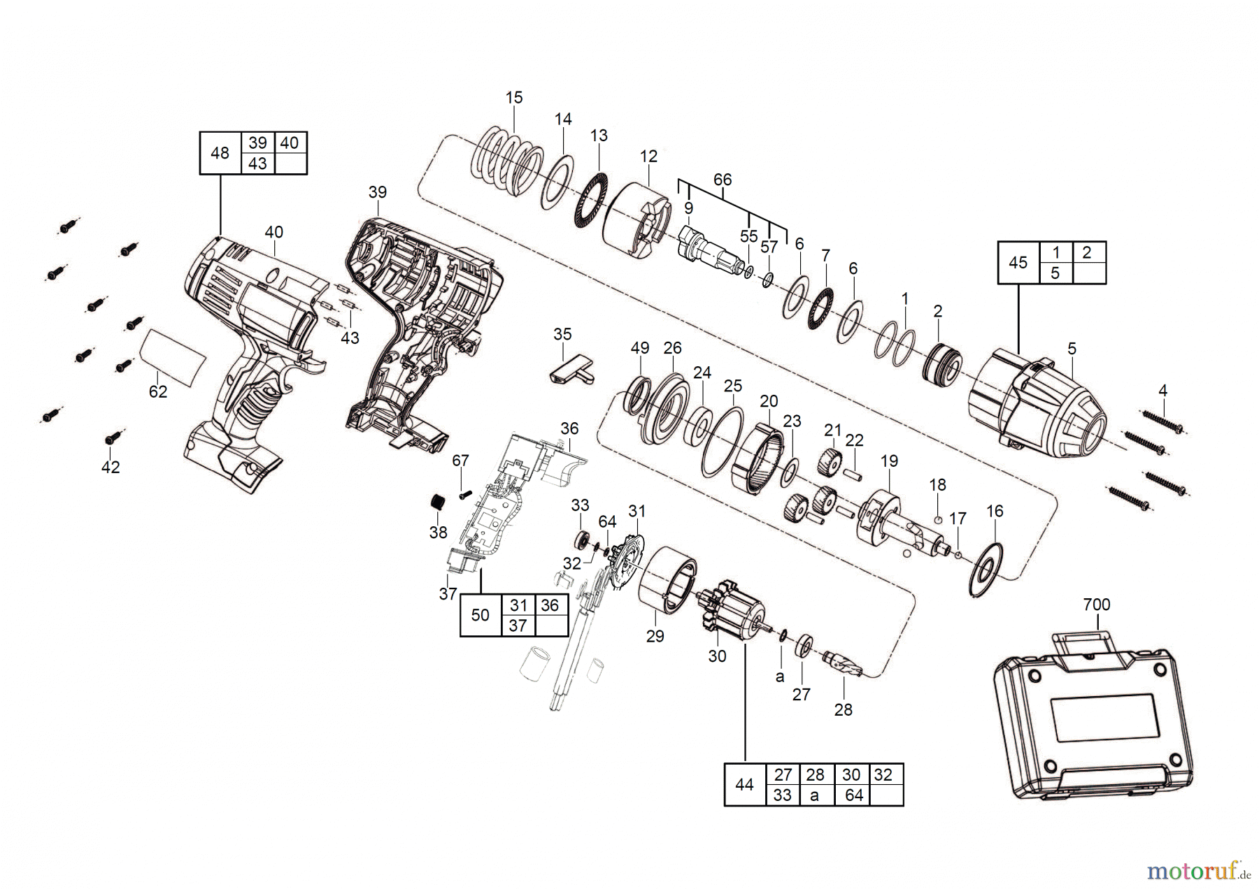
Hier finden Sie die Ersatzteilzeichnung für Milwaukee Akku-Geräte Befestigen Schlagschrauber HD18 HIWF AKKU-SCHLAGSCHRAUBER MIT SPRENGRIN. Wählen Sie das benötigte Ersatzteil aus der Ersatzteilliste Ihres Milwaukee Gerätes aus und bestellen Sie einfach online. Viele Milwaukee Ersatzteile halten wir ständig in unserem Lager für Sie bereit.
Häufig benötigte Milwaukee Befestigen Schlagschrauber HD18 HIWF AKKU-SCHLAGSCHRAUBER MIT SPRENGRIN Ersatzteile

Artikelnummer: 4931416493
Suche nach: 4931416493
Hersteller: Milwaukee
Milwaukee Ersatzteil HD18 HIWF AKKU-SCHLAGSCHRAUBER MIT SPRENGRIN
Suche nach: 4931416493
Hersteller: Milwaukee
Milwaukee Ersatzteil HD18 HIWF AKKU-SCHLAGSCHRAUBER MIT SPRENGRIN
4.99 €
für EU incl. MwSt., zzgl. Versand




