Stiga Baujahr 2017 Benzin 2017 SGT 226 J 287110102/15 - Season 2017 Engine Ersatzteile
Engine SGT 226 J 287110102/15 - Season 2017

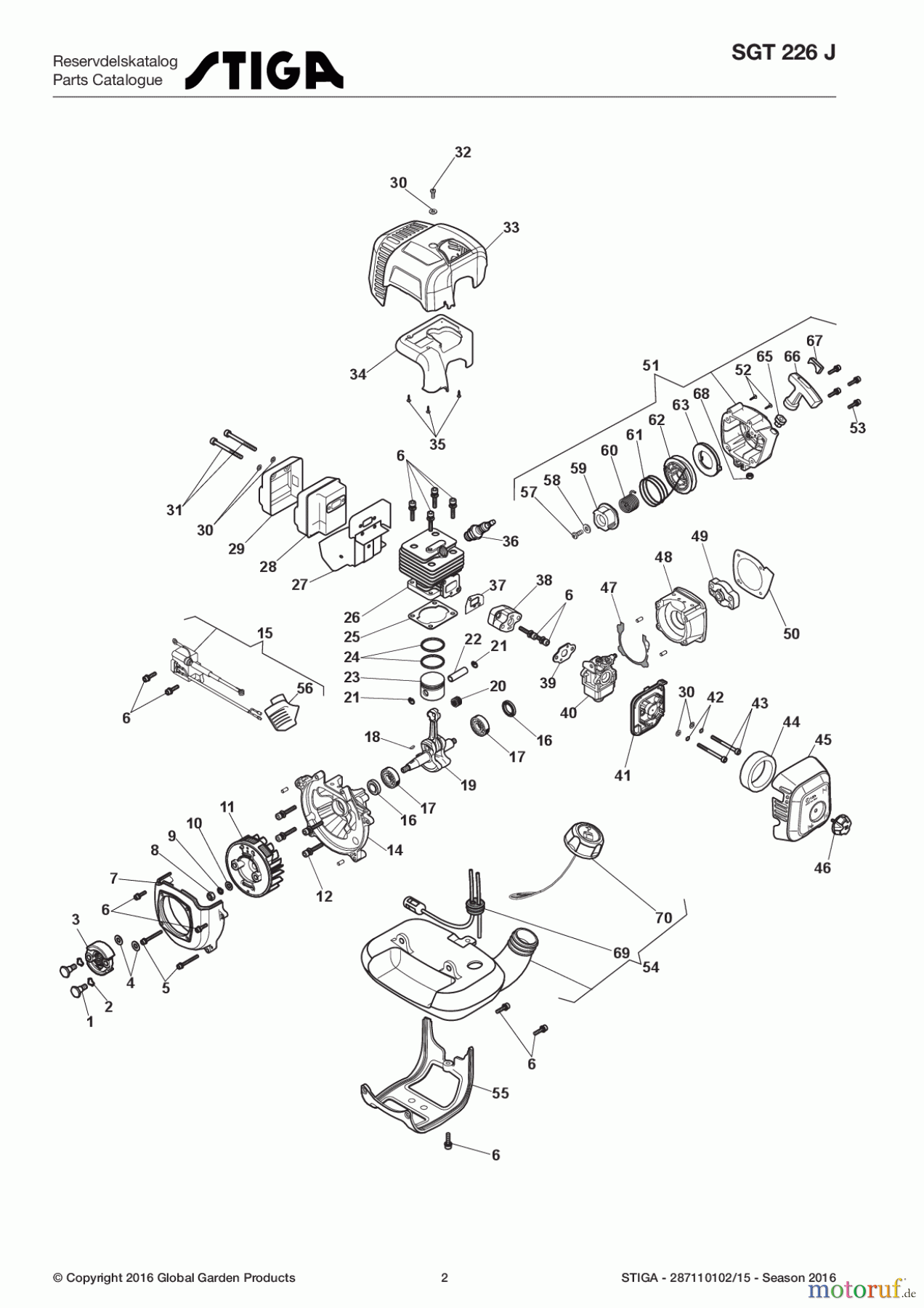
Hier finden Sie die Ersatzteilzeichnung für Stiga Motorsensen, Trimmer Baujahr 2017 Benzin 2017 SGT 226 J 287110102/15 - Season 2017 Engine. Wählen Sie das benötigte Ersatzteil aus der Ersatzteilliste Ihres Stiga Gerätes aus und bestellen Sie einfach online. Viele Stiga Ersatzteile halten wir ständig in unserem Lager für Sie bereit.


Qualitätsmanagement
Informieren Sie uns, wenn Sie einen Fehler gefunden haben.


