Stiga Baujahr 2017 Zero Turn Mowers 2017 ZT 5132 T 2F1020821/S17 - Season 2017 Shroud Ersatzteile
Shroud ZT 5132 T 2F1020821/S17 - Season 2017

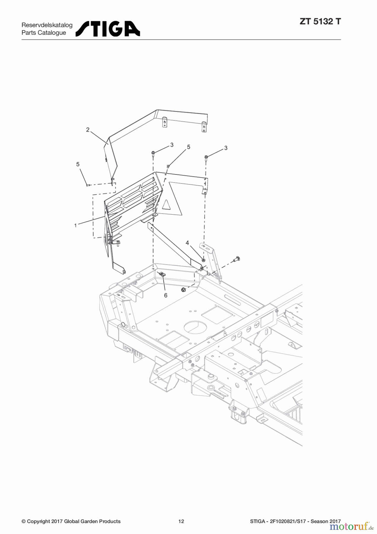
Hier finden Sie die Ersatzteilzeichnung für Stiga Frontmäher Baujahr 2017 Zero Turn Mowers 2017 ZT 5132 T 2F1020821/S17 - Season 2017 Shroud. Wählen Sie das benötigte Ersatzteil aus der Ersatzteilliste Ihres Stiga Gerätes aus und bestellen Sie einfach online. Viele Stiga Ersatzteile halten wir ständig in unserem Lager für Sie bereit.
| BildNr | Artikel Nummer | Bezeichnung | |
| 1 | 118830238/0 | Guard | |
| 2 | 118830239/0 | Guard | |
| 3 | 118830550/0 | Screw | |
| 4 | 118830654/0 | Nut | |
| 5 | 118830311/0 | Rock Rivet | |
| 6 | 118830320/0 | Nut | |


Qualitätsmanagement
Informieren Sie uns, wenn Sie einen Fehler gefunden haben.

