Güde bis 7 t Spaltdruck HOLZSPALTER GHS 500/6,5TE - 02048 FSL02048-01 Ersatzteile
FSL02048-01 HOLZSPALTER GHS 500/6,5TE - 02048

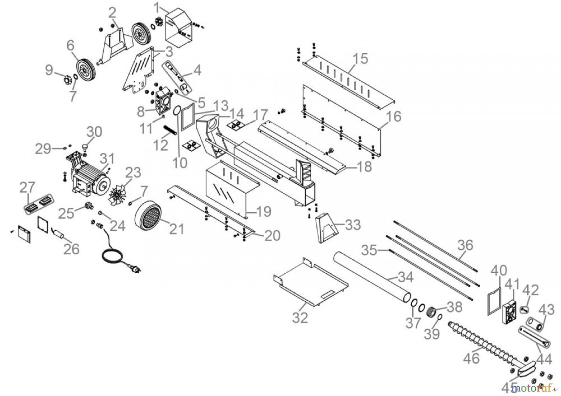
Hier finden Sie die Ersatzteilzeichnung für Güde Brennholzbearbeitung Holzspalter bis 7 t Spaltdruck HOLZSPALTER GHS 500/6,5TE - 02048 FSL02048-01 Seite 1. Wählen Sie das benötigte Ersatzteil aus der Ersatzteilliste Ihres Güde Gerätes aus und bestellen Sie einfach online. Viele Güde Ersatzteile halten wir ständig in unserem Lager für Sie bereit.


Qualitätsmanagement
Informieren Sie uns, wenn Sie einen Fehler gefunden haben.

