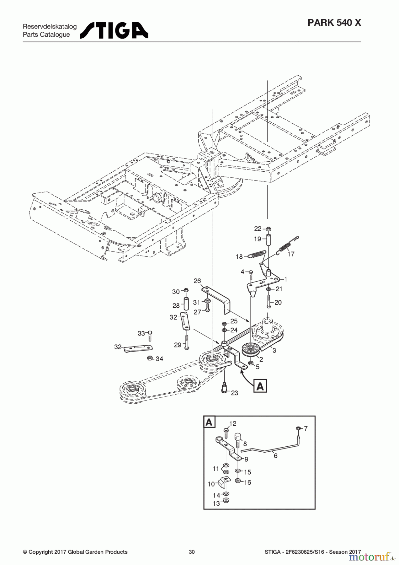
Stiga Baujahr 2017 Park Consumer High 2017 Park 540 X 2F6230625/S16 - Season 2017 Power take-off Ersatzteile
Power take-off Park 540 X 2F6230625/S16 - Season 2017

Hier finden Sie die Ersatzteilzeichnung für Stiga Frontmäher Baujahr 2017 Park Consumer High 2017 Park 540 X 2F6230625/S16 - Season 2017 Power take-off. Wählen Sie das benötigte Ersatzteil aus der Ersatzteilliste Ihres Stiga Gerätes aus und bestellen Sie einfach online. Viele Stiga Ersatzteile halten wir ständig in unserem Lager für Sie bereit.








