Solo by AL-KO Kettensägen 675 Ersatzteile
675 Kettensägen
Artikel Nummer: 127187 126579
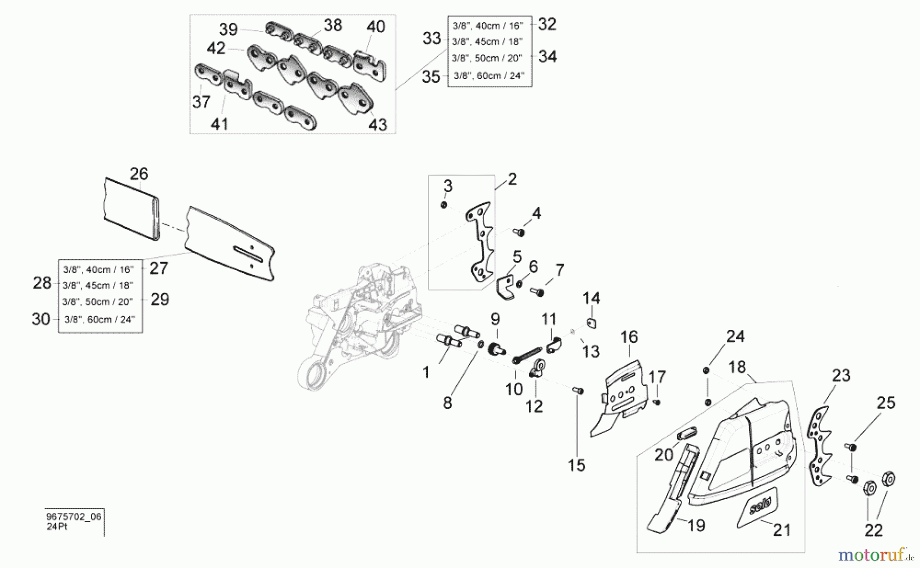
![Solo by AL-KO Gartentechnik Kettensägen 675 ET 062008 Druck 9 675 702 ab 06/2008 [SN: ET 062008 Druck 9 675 702] Seite 6](/bild2cache/zenbit_katbilder_garten_hobby_partnerweb_shop_parts_gif_2008_06_01_126579ET_062008_Druck_9_675_702_6_gif-1800-1112.jpg)
Hier finden Sie die Ersatzteilzeichnung für Solo by AL-KO Gartentechnik Kettensägen 675 ET 062008 Druck 9 675 702 ab 06/2008 [SN: ET 062008 Druck 9 675 702] Seite 6. Wählen Sie das benötigte Ersatzteil aus der Ersatzteilliste Ihres Solo by AL-KO Gerätes aus und bestellen Sie einfach online. Viele Solo by AL-KO Ersatzteile halten wir ständig in unserem Lager für Sie bereit.






