Solo by AL-KO Kettensägen 643 IP Ersatzteile
643 IP Kettensägen
Artikel Nummer: 127162 126568
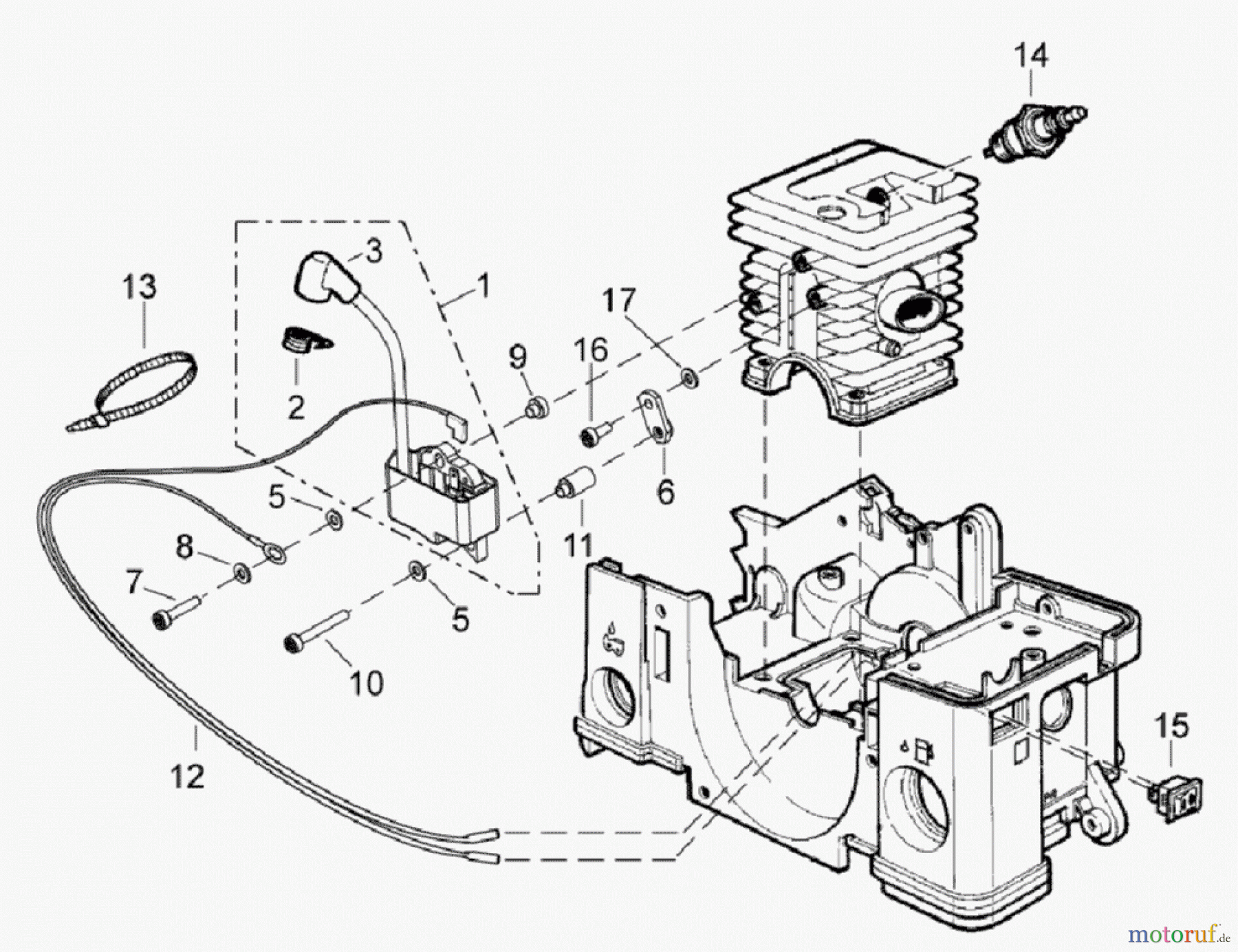
![Solo by AL-KO Gartentechnik Kettensägen 643 IP S.Nr. 6112->; 022009 Druck 9 643 703 02/2009 [SN: S.Nr. 6112->; 022009 Druck 9 643 703] - 02/2011 [SN: S.Nr. 13001->; 022011 Druck 9 643 704] Seite 2](/bild2cache/zenbit_katbilder_garten_hobby_partnerweb_shop_parts_gif_2009_02_01_126568S_Nr__6112___022009_Druck_9_643_703_2_gif-1800-1384.jpg)
Hier finden Sie die Ersatzteilzeichnung für Solo by AL-KO Gartentechnik Kettensägen 643 IP S.Nr. 6112->; 022009 Druck 9 643 703 02/2009 [SN: S.Nr. 6112->; 022009 Druck 9 643 703] - 02/2011 [SN: S.Nr. 13001->; 022011 Druck 9 643 704] Seite 2. Wählen Sie das benötigte Ersatzteil aus der Ersatzteilliste Ihres Solo by AL-KO Gerätes aus und bestellen Sie einfach online. Viele Solo by AL-KO Ersatzteile halten wir ständig in unserem Lager für Sie bereit.


Qualitätsmanagement
Informieren Sie uns, wenn Sie einen Fehler gefunden haben.

