Gutbrod GLX 92 RHLK 13DG51GE690 (2012) Motorzubehör Ersatzteile
Motorzubehör 13DG51GE690 (2012)

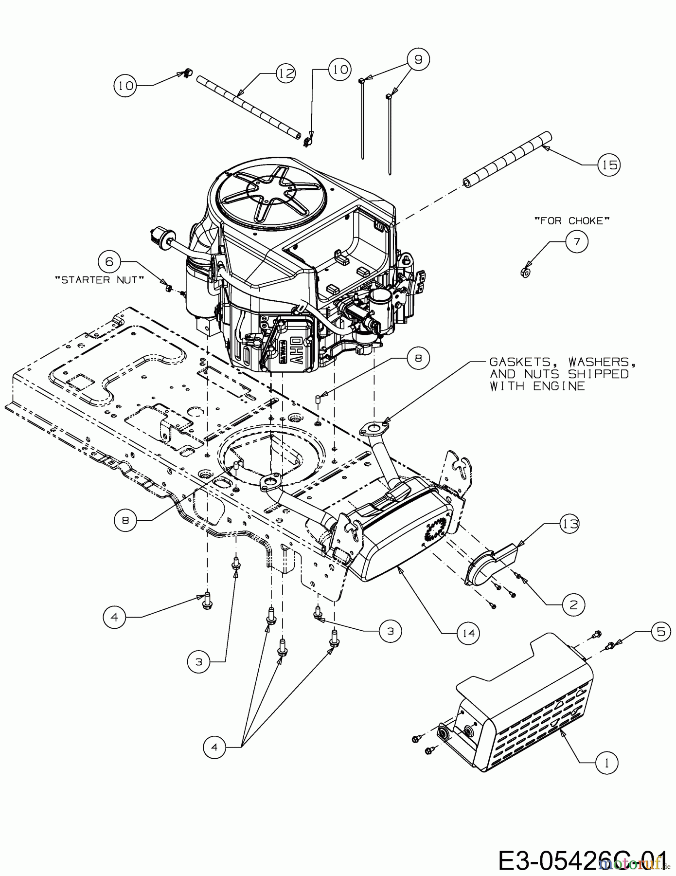
Hier finden Sie die Ersatzteilzeichnung für Gutbrod Rasentraktoren GLX 92 RHLK 13DG51GE690 (2012) Motorzubehör. Wählen Sie das benötigte Ersatzteil aus der Ersatzteilliste Ihres Gutbrod Gerätes aus und bestellen Sie einfach online. Viele Gutbrod Ersatzteile halten wir ständig in unserem Lager für Sie bereit.









