Gutbrod GLX 92 RHLK 13DG51GE690 (2012) Keilriemenschutz Mähwerk E (36"/92cm) Ersatzteile
Keilriemenschutz Mähwerk E (36"/92cm) 13DG51GE690 (2012)

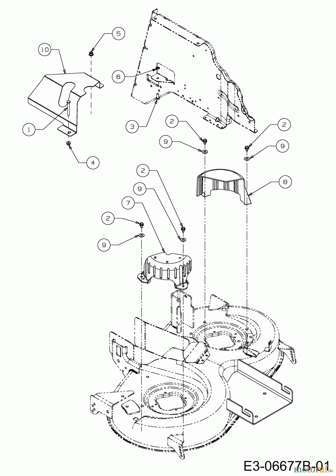
Hier finden Sie die Ersatzteilzeichnung für Gutbrod Rasentraktoren GLX 92 RHLK 13DG51GE690 (2012) Keilriemenschutz Mähwerk E (36"/92cm). Wählen Sie das benötigte Ersatzteil aus der Ersatzteilliste Ihres Gutbrod Gerätes aus und bestellen Sie einfach online. Viele Gutbrod Ersatzteile halten wir ständig in unserem Lager für Sie bereit.


Qualitätsmanagement
Informieren Sie uns, wenn Sie einen Fehler gefunden haben.







