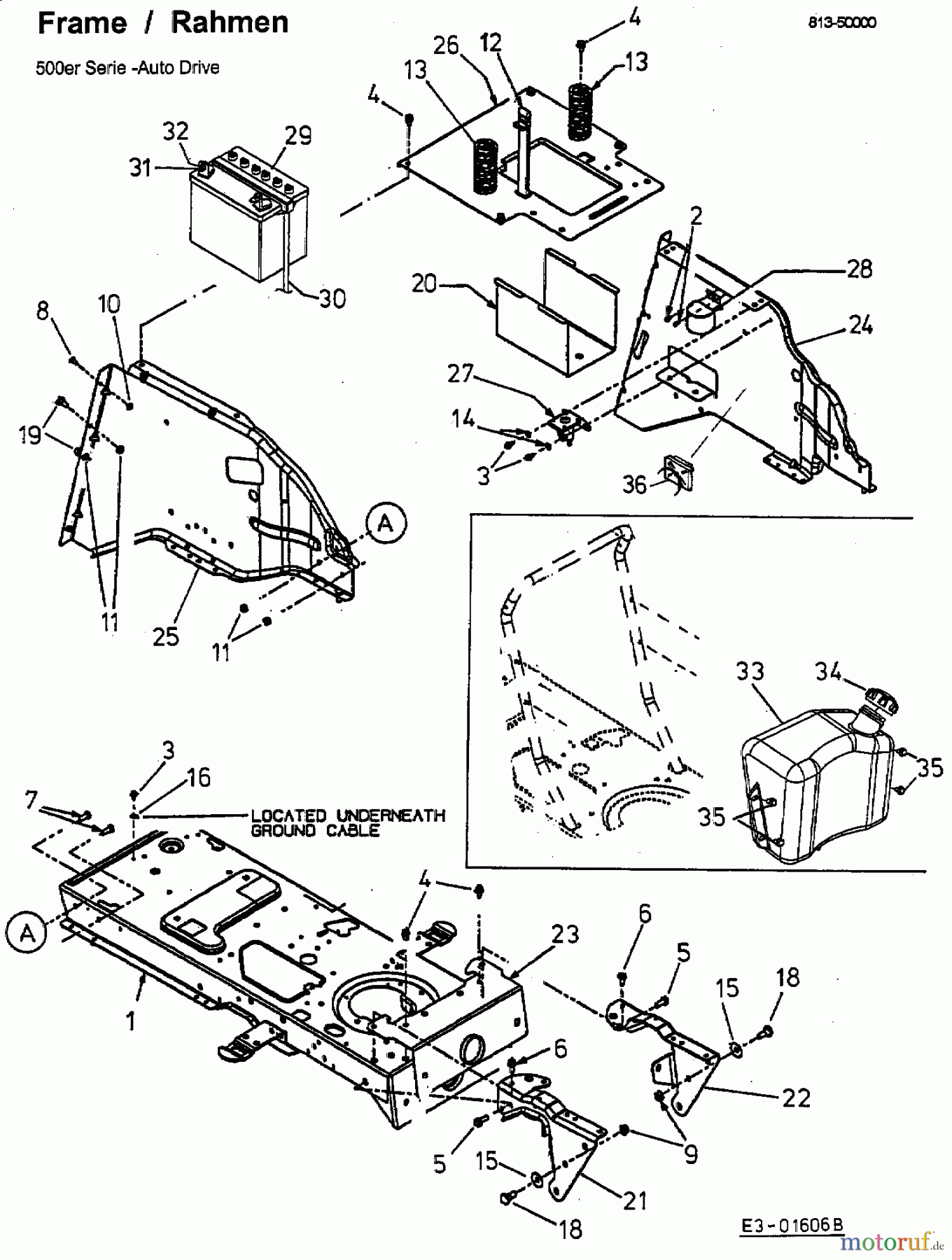
Gutbrod GLX 107 SALK 13BI506G690 (2003) Batterie, Rahmen, Tank Ersatzteile
Batterie, Rahmen, Tank 13BI506G690 (2003)

Hier finden Sie die Ersatzteilzeichnung für Gutbrod Rasentraktoren GLX 107 SALK 13BI506G690 (2003) Batterie, Rahmen, Tank. Wählen Sie das benötigte Ersatzteil aus der Ersatzteilliste Ihres Gutbrod Gerätes aus und bestellen Sie einfach online. Viele Gutbrod Ersatzteile halten wir ständig in unserem Lager für Sie bereit.


Qualitätsmanagement
Informieren Sie uns, wenn Sie einen Fehler gefunden haben.











