Stiga Baujahr 2017 Park Consumer High 2017 Park 540 X 2F6230625/S16 - Season 2017 Transmission Ersatzteile
Transmission Park 540 X 2F6230625/S16 - Season 2017

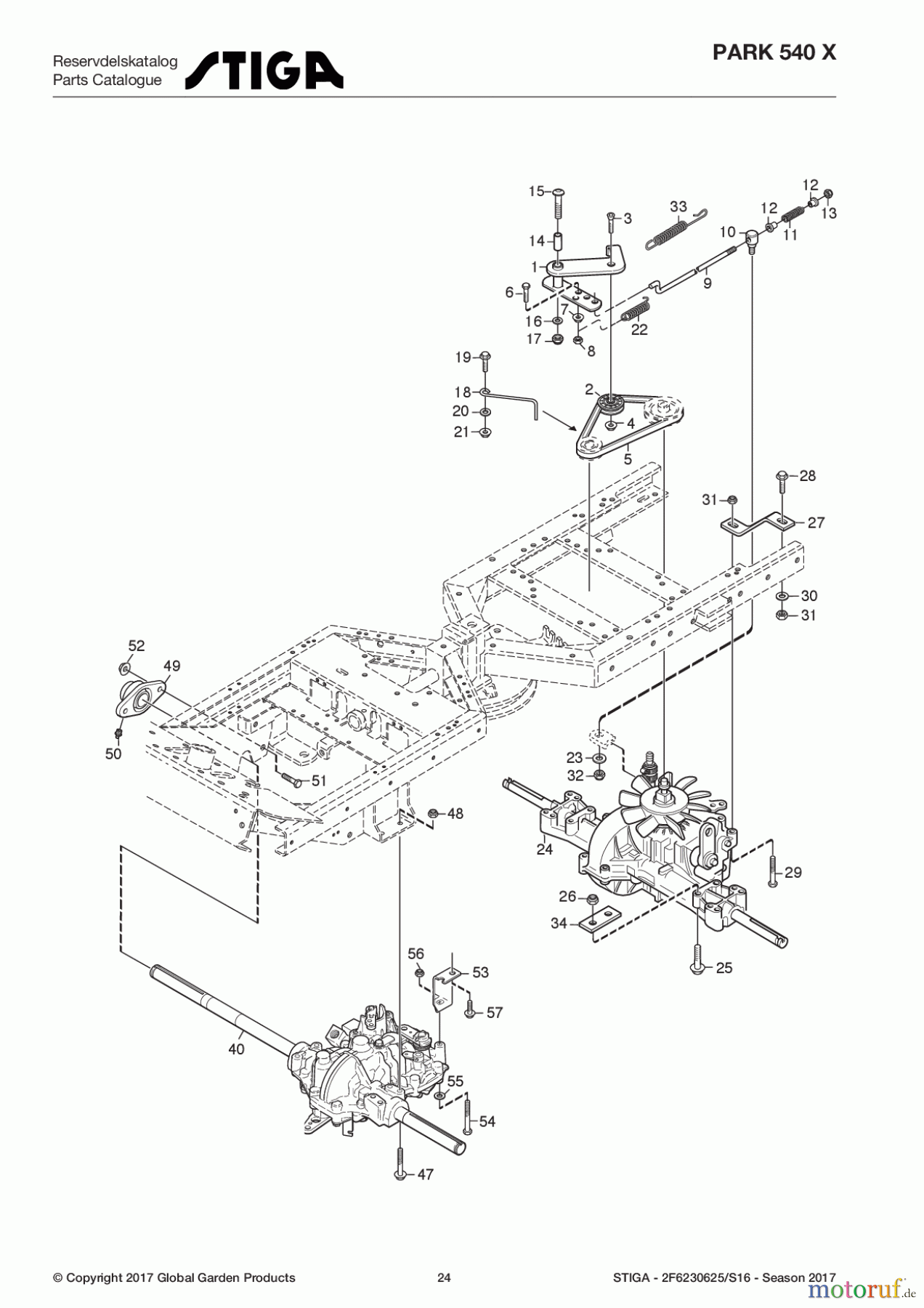
Hier finden Sie die Ersatzteilzeichnung für Stiga Frontmäher Baujahr 2017 Park Consumer High 2017 Park 540 X 2F6230625/S16 - Season 2017 Transmission. Wählen Sie das benötigte Ersatzteil aus der Ersatzteilliste Ihres Stiga Gerätes aus und bestellen Sie einfach online. Viele Stiga Ersatzteile halten wir ständig in unserem Lager für Sie bereit.






