Global Garden Products GGP Benzin 2017 SBC 653 KD Engine Ersatzteile
Engine SBC 653 KD
Baujahr 2017

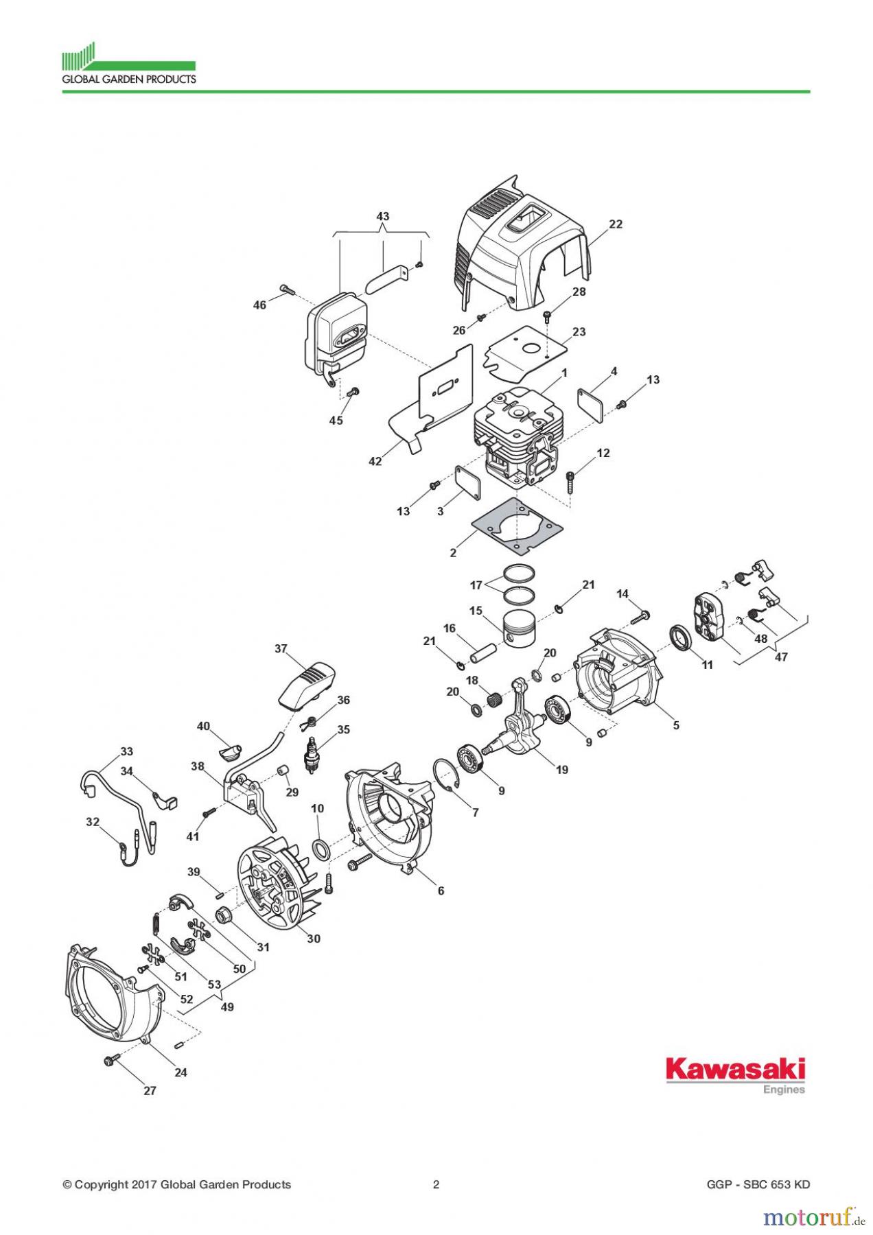
Hier finden Sie die Ersatzteilzeichnung für Global Garden Products GGP Motorsensen und Trimmer Benzin 2017 SBC 653 KD Engine. Wählen Sie das benötigte Ersatzteil aus der Ersatzteilliste Ihres Global Garden Products GGP Gerätes aus und bestellen Sie einfach online. Viele Global Garden Products GGP Ersatzteile halten wir ständig in unserem Lager für Sie bereit.


Qualitätsmanagement
Informieren Sie uns, wenn Sie einen Fehler gefunden haben.