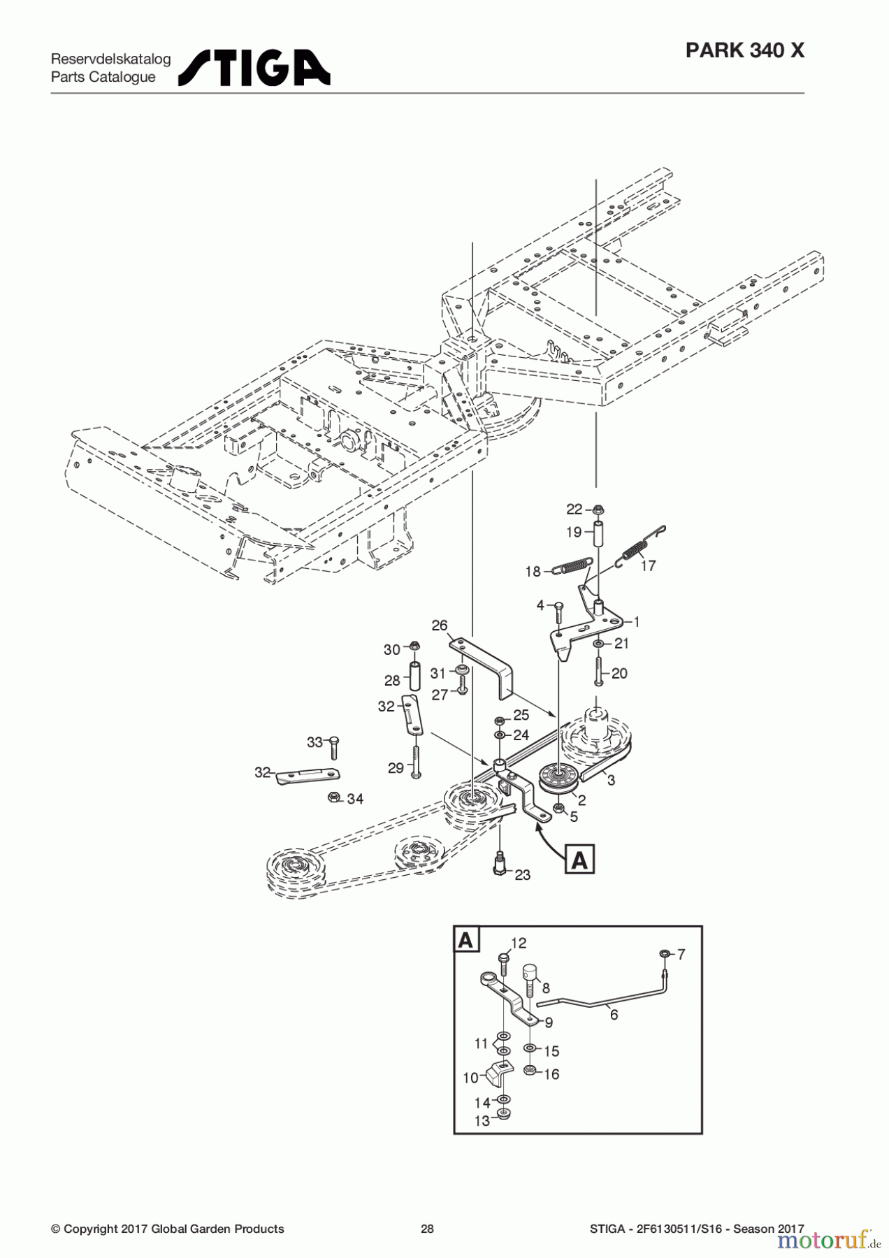
Stiga Baujahr 2017 Park Compact 2017 Park 340 X 2F6130511/S16 - Season 2017 Power take-off Ersatzteile
Power take-off Park 340 X 2F6130511/S16 - Season 2017
Baujahr 2017

Hier finden Sie die Ersatzteilzeichnung für Stiga Frontmäher Baujahr 2017 Park Compact 2017 Park 340 X 2F6130511/S16 - Season 2017 Power take-off. Wählen Sie das benötigte Ersatzteil aus der Ersatzteilliste Ihres Stiga Gerätes aus und bestellen Sie einfach online. Viele Stiga Ersatzteile halten wir ständig in unserem Lager für Sie bereit.
Häufig benötigte Stiga Baujahr 2017 Park Compact 2017 Park 340 X 2F6130511/S16 - Season 2017 Power take-off Ersatzteile
| BildNr | Artikel Nummer | Bezeichnung | |
| 1 | 1134-2018-02 | Tension Arm | |
| 2 | 1134-9027-02 | Tension Roller (Grey) | |
| 3 | ![]() | 1134-9173-01 | V-Belt |
| 4 | 112794300/0 | Screw | |
| 5 | 112295200/0 | Nut | |
| 6 | 137033100/0 | Brake Rod | |
| 7 | 9675-0008-02 | Starlock | |
| 8 | 1134-4170-01 | Nippel | |
| 9 | 387318251/0 | Brake Arm | |
| 10 | 1134-4164-03 | Brake Pad | |
| 11 | ![]() | 112521360/0 | Washer |
| 12 | 112818700/0 | Screw | |
| 13 | ![]() | 112155000/0 | Nut |
| 14 | 9699-0090-02 | Washer | |
| 15 | 112521330/0 | Washer | |
| 16 | 112154510/0 | Nut | |
| 17 | 4231-0013-00 | Spring | |
| 18 | 1135-3307-01 | Spring | |
| 19 | 1134-1565-10 | Spacer | |
| 20 | 112691800/0 | Screw | |
| 21 | 112523060/0 | Washer | |
| 22 | ![]() | 112154220/0 | Nut |
| 23 | 1134-4163-02 | Shoulder Bolt | |
| 24 | 337670201/0 | Washer | |
| 25 | 9739-1031-22 | Nut | |
| 26 | 1134-3958-01 | Belt Guide | |
| 27 | ![]() | 9893-0616-16 | Screw |
| 28 | 1134-0041-03 | Bushing | |
| 29 | 112794950/0 | Screw | |
| 30 | 9739-1031-22 | Nut | |
| 31 | 325160039/0 | Spacer | |
| 32 | 337546547/0 | Plate | |
| 33 | 112793102/0 | Screw | |
| 34 | 112293201/0 | Nut | |


Qualitätsmanagement
Informieren Sie uns, wenn Sie einen Fehler gefunden haben.







