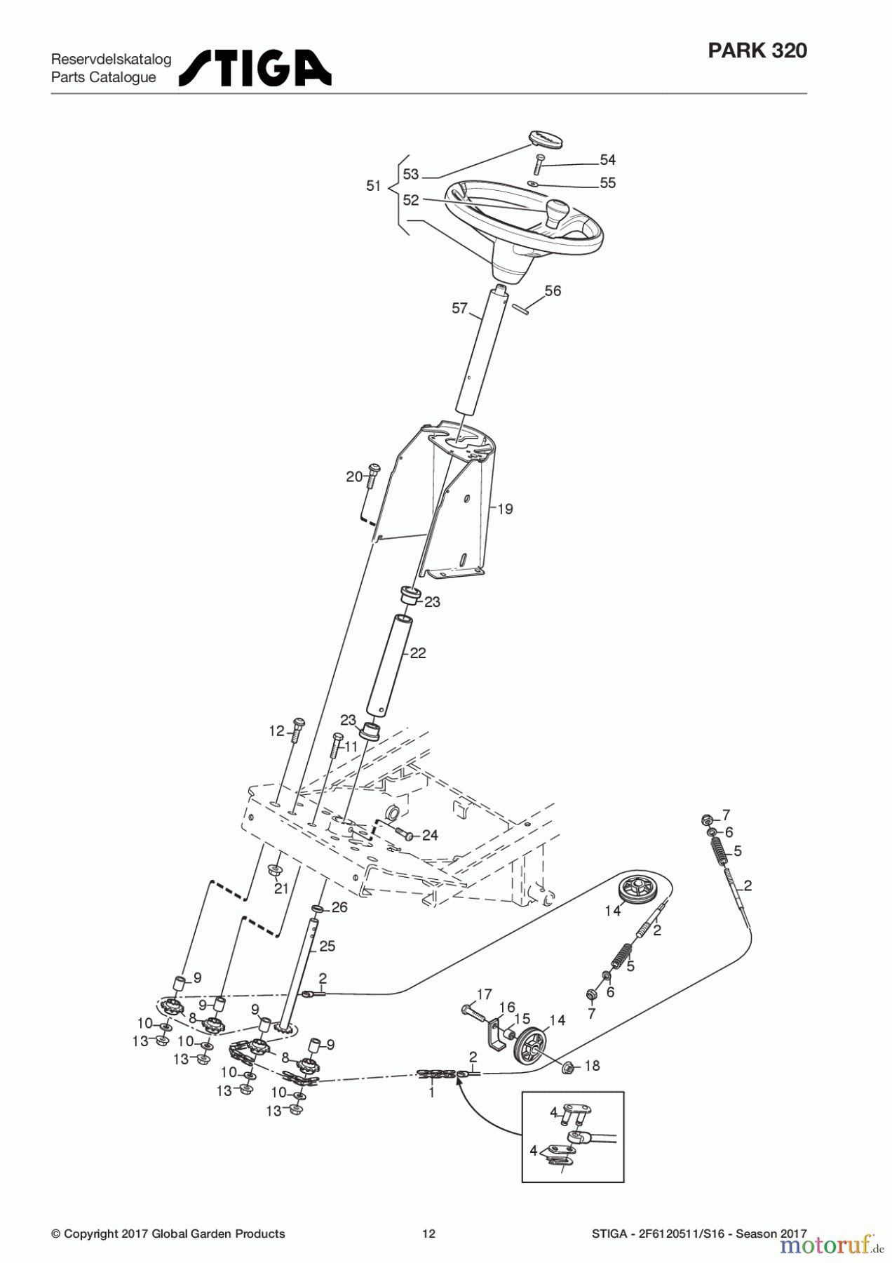
Stiga Baujahr 2017 Park Compact 2017 Park 320 2F6120511/S16 - Season 2017 Steering Ersatzteile
Steering Park 320 2F6120511/S16 - Season 2017
Baujahr 2017

Hier finden Sie die Ersatzteilzeichnung für Stiga Frontmäher Baujahr 2017 Park Compact 2017 Park 320 2F6120511/S16 - Season 2017 Steering. Wählen Sie das benötigte Ersatzteil aus der Ersatzteilliste Ihres Stiga Gerätes aus und bestellen Sie einfach online. Viele Stiga Ersatzteile halten wir ständig in unserem Lager für Sie bereit.


Qualitätsmanagement
Informieren Sie uns, wenn Sie einen Fehler gefunden haben.








