Stiga Baujahr 2017 Park 2017 Park 120 2F5820241/S16 - Season 2017 Transmission Ersatzteile
Transmission Park 120 2F5820241/S16 - Season 2017

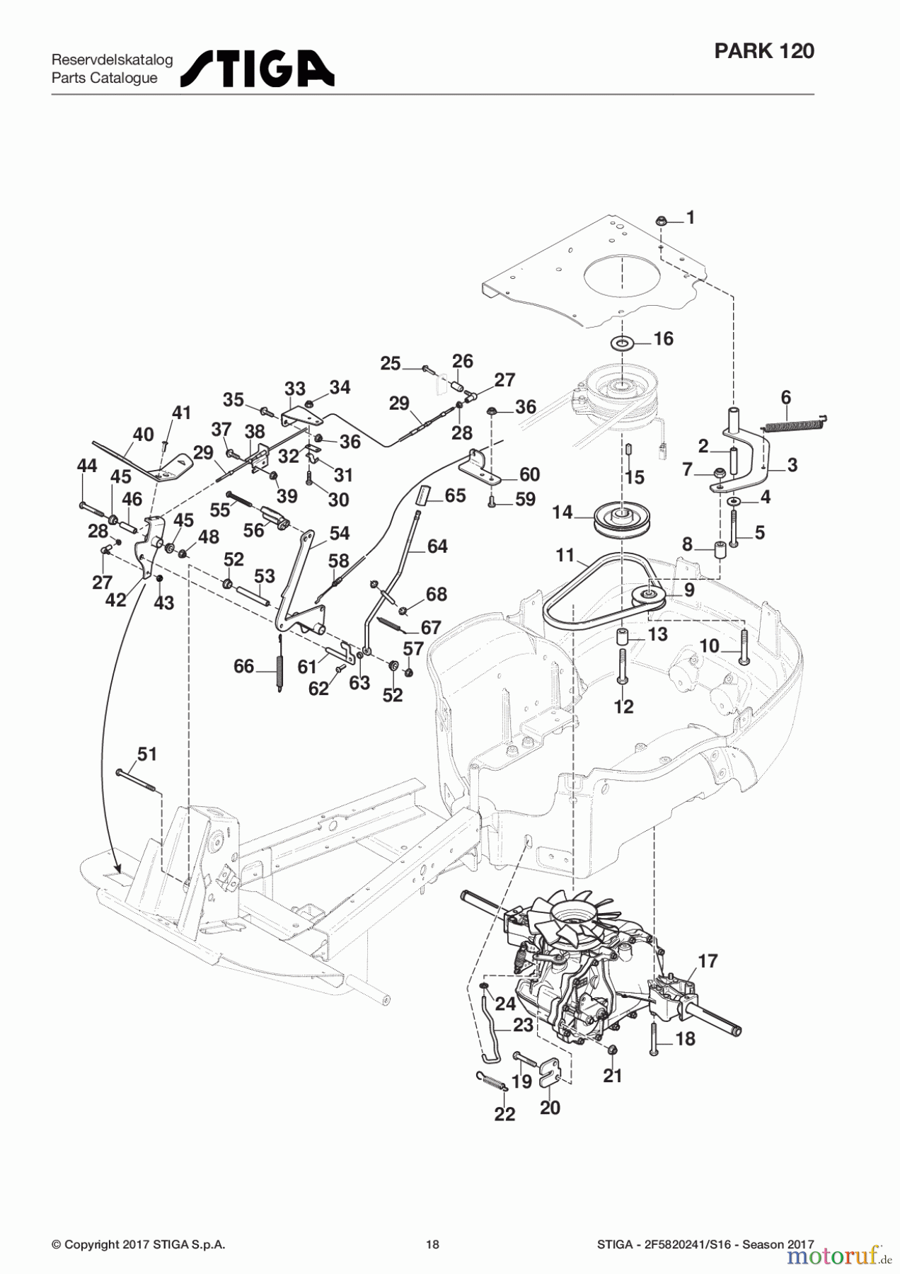
Hier finden Sie die Ersatzteilzeichnung für Stiga Frontmäher Baujahr 2017 Park 2017 Park 120 2F5820241/S16 - Season 2017 Transmission. Wählen Sie das benötigte Ersatzteil aus der Ersatzteilliste Ihres Stiga Gerätes aus und bestellen Sie einfach online. Viele Stiga Ersatzteile halten wir ständig in unserem Lager für Sie bereit.


Qualitätsmanagement
Informieren Sie uns, wenn Sie einen Fehler gefunden haben.





