Global Garden Products GGP Baujahr 2017 Benzin Mit Antrieb 2017 NTL 484 TR/E 4S - TRQ/E 4S Transmission Ersatzteile
Transmission NTL 484 TR/E 4S - TRQ/E 4S
Baujahr 2017

Hier finden Sie die Ersatzteilzeichnung für Global Garden Products GGP Rasenmäher Baujahr 2017 Benzin Mit Antrieb 2017 NTL 484 TR/E 4S - TRQ/E 4S Transmission. Wählen Sie das benötigte Ersatzteil aus der Ersatzteilliste Ihres Global Garden Products GGP Gerätes aus und bestellen Sie einfach online. Viele Global Garden Products GGP Ersatzteile halten wir ständig in unserem Lager für Sie bereit.
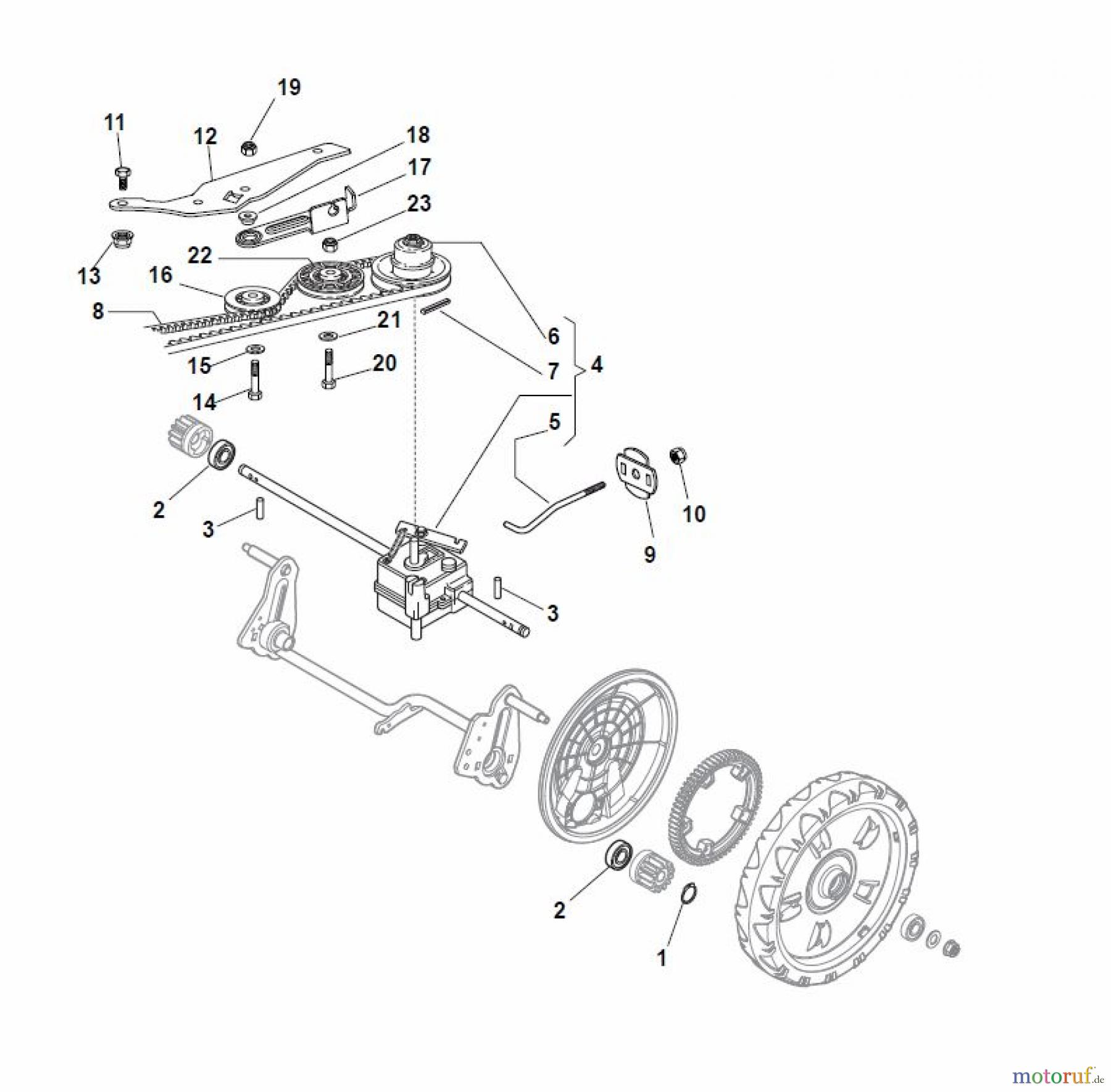
| BildNr | Artikel Nummer | Bezeichnung | |
| 1 | 112608600/0 | Seeger | |
| 2 | 119216035/0 | Bearing | |
| 3 | 122753000/0 | Pin | |
| 4 | 181003096/3 | Gear Box | |
| 5 | 122033285/0 | Adjustment Rod | |
| 6 | 122601932/0 | Pulley | |
| 7 | 112645700/0 | Elastic Pin | |
| 8 | 135064005/0 | Belt | |
| 9 | 322675113/0 | Washer | |
| 10 | 112154510/0 | Nut | |
| 11 | 112791011/0 | Screw | |
| 12 | 322806625/2 | Support | |
| 13 | ![]() | 112292102/0 | Nut |
| 14 | 112689500/0 | Screw | |
| 15 | 112523050/0 | Washer | |
| 16 | 122601915/0 | Pulley | |
| 17 | 322806623/0 | Pulley Support | |
| 18 | 122671656/0 | Washer | |
| 19 | 112154510/0 | Nut | |
| 20 | 112674700/0 | Screw | |
| 21 | 112523050/0 | Washer | |
| 22 | 122601914/0 | Pulley | |
| 23 | 112154510/0 | Nut | |


Qualitätsmanagement
Informieren Sie uns, wenn Sie einen Fehler gefunden haben.


